Texas Instruments LP87524x-Q1 Quad-Abwärtswandler
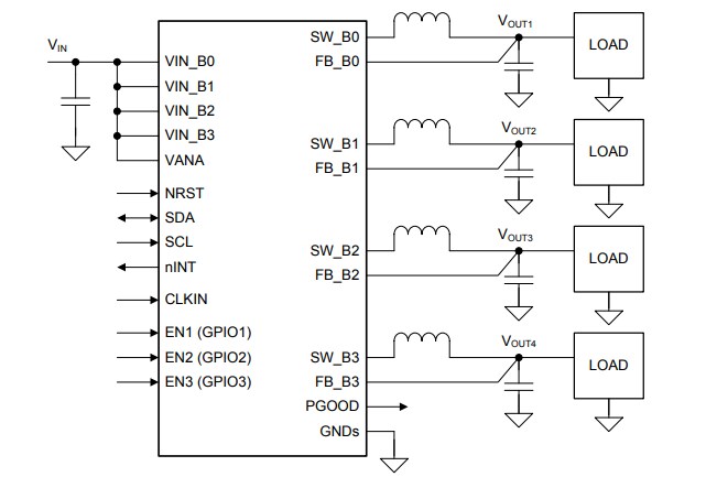
Texas Instruments LP87524x-Q1 Integrierte Leistungsmanagement-Schaltkreise (PMICs) sind für die Erfüllung der Leistungsmanagementanforderungen der neuesten Prozessoren und Plattformen in verschiedenen Automotive-Leistungsapplikationen ausgelegt. Diese Bauteile enthalten vier DC/DC-Wandlercores, die als vier einphasige Ausgänge konfiguriert werden. Diese Bauteile werden über eine I2C-kompatible serielle Schnittstelle und über Freigabe-Signale gesteuert.Der automatische PFM/PWM-Betrieb (AUTO-Modus) erhöht den Wirkungsgrad über einen großen Ausgangsstrombereich. Der LP87524x-Q1 unterstützt die ferngesteuerte Spannungserkennung, um den IR-Abfall zwischen dem Wandlerausgang und der Punktlast (POL) zu kompensieren und dadurch die Genauigkeit der Ausgangsspannung zu verbessern. Außerdem kann zur Reduzierung von Störungen der Schalttakt in den PWM-Modus gezwungen und mit einem externen Takt synchronisiert werden.
Merkmale
- Qualifiziert für Fahrzeuganwendungen
- AEC-Q100-qualifiziert mit den folgenden Ergebnissen:
- Temperatur des Bauteils der Klasse 1: -40 °C bis +125 °C Umgebungstemperatur
- Eingangsspannung: 2,8 V bis 5,5 V
- Ausgangsspannung: 0,6 V bis 3,36 V
- Vier DC/DC-Abwärtswandler-Cores mit hohem Wirkungsgrad
- Ausgangsstrom von insgesamt bis zu 10 A
- Ausgangspannungs-Anstiegsrate von 3,8 mV/µs
- 4 MHz Schaltfrequenz
- Frequenzspreizungsmodus und Phasenverschachtelung
- Konfigurierbare Universal-I/O (GPIOs)
- I2C-kompatible Schnittstelle unterstützt Standard- (100 kHz), Fast- (400 kHz), Fast+- (1 MHz) und High-Speed- (3,4 MHz) Betriebsarten
- Interrupt-Funktion mit programmierbarer Maskierung
- Programmierbares Power-Good-Signal (PGOOD)
- Überlastschutz und Kurzschlusssicherung am Ausgang
- Übertemperaturvorwarnung und Schutz
- Unterspannungssperre (UVLO) und Überspannungsschutz (OVP)
Applikationen
- Automotive-Infotainment-Systeme
- Kombiinstrumente
- Radar
- Kameraleistung
Schaltplan
Veröffentlichungsdatum: 2017-09-18
| Aktualisiert: 2025-03-05
