Texas Instruments MSP430FR2422 Extrem stromsparende Mikrocontroller
Texas Instruments MSP430FR2422 extrem stromsparende Mikrocontroller (MCUs) sind Teil des MSP430™ Value Line Mikrocontroller (MCU) Portfolios der kostengünstigsten MCU-Produktfamilie für Abtast- und Messapplikationen. Die MSP430FR2422 MCUs bieten einen nichtflüchtigen Speicher von 8 KB mit einem 10-Bit-Achtkanal-Analog-Digital-Wandler. Die Architektur, FRAM und integrierten Peripheriegeräte kombiniert mit umfangreichen Stromsparmodi sind für die Verlängerung der Batterielaufzeit in tragbaren und batteriebetriebenen Abtastapplikationen optimiert. Diese Mikrocontroller kombinieren den einzigartig integrierten FRAM mit einer ganzheitlichen, extrem stromsparenden Systemarchitektur, wodurch Systementwicklern die Steigerung der Leistungsfähigkeit bei gleichzeitiger Senkung des Stromverbrauch ermöglicht wird. Die FRAM-Technologie kombiniert die stromsparende schnelle Schreibbarkeit, Flexibilität und Ausdauer des RAM mit dem nichtflüchtigen Verhalten von Flash.Merkmale
- Integrierter Mikrocontroller
- 16-Bit RISC-Architektur
- Takt unterstützt Frequenzen bis 16 MHz
- Großer Versorgungsspannungsbereich: 2,0 V bis 3,6 V
- Optimierte Modi für extrem geringen Stromverbrauch
- Aktivmodus: 120 µA/MHz (typisch)
- Standby: LPM3.5, Zähler mit Echtzeittakt (RTC) und 32.768Hz-Quarz: 770 nA (typisch)
- Abschaltung (LPM4.5): 36 nA ohne SVS
- Stromsparender ferroelektrischer RAM (FRAM)
- Bis zu 7,5 KB nicht flüchtiger Speicher
- Integrierter Fehlerkorrekturcode (ECC)
- Konfigurierbarer Schreibschutz
- Unified Memory von Programm, Konstanten und Speicher
- 1015 Lebensdauer des Schreibzyklus
- Strahlungsbeständig und nichtmagnetisch
- Hohes FRAM-zu-SRAM-Verhältnis, bis 4:1
- Hochleistungs-Analog
- Bis zu 8-Kanal-10-Bit-Analog-Digital-Wandler (ADC)
- Intelligente digitale Peripheriegeräte
- Verbesserte serielle Kommunikationen mit Unterstützung für die Pin-Remap-Funktion
- Taktsystem (CS)
- Universal-Eingang/-Ausgang und Pin-Funktionalität
- Gehäuseoptionen
- 20-Pin: VQFN (RHL)
- 16-Pin: TSSOP (PW)
Applikationen
- Industrielle Sensoren
- Akkusätze
- Tragbare Geräte
- Elektrische Zahnbürsten
- Stromsparende Medizin-, Gesundheits- und Fitnessgeräte
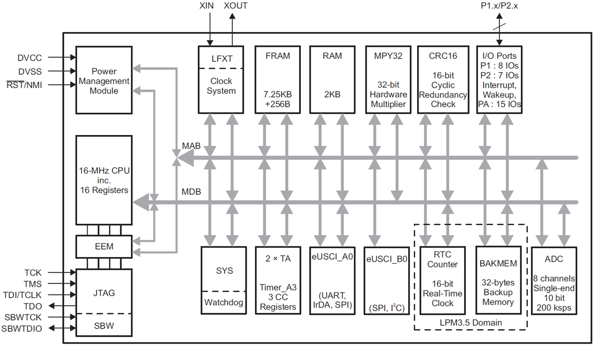
Funktionales Blockdiagramm
Veröffentlichungsdatum: 2018-06-12
| Aktualisiert: 2025-04-16
