Texas Instruments OPA2210 Präzisions-Operationsverstärker
Der Texas Instruments OPA2210 Präzisions-Operationsverstärker ist die nächste Generation von OPA2209 Operationsverstärkern (OPVs). Der OPA2210 Präzisions-Operationsverstärker basiert auf dem ergänzenden, bipolaren Super-β-Präzisions-Halbleiterprozess von TI. Dieser Prozess bietet ein extrem niedriges Flimmern, eine niedrige Offset-Spannung und eine niedrige Offsetspannungs-Temperaturdrift. Der OPA2210 zeichnet sich durch eine sehr niedrige Spannungsrauschdichte (2,2 nV/√Hz) aus und verbraucht nur 2,5 mA (max.) pro Verstärker. Darüber hinaus bietet das Bauteil eine Rail-to-Rail-Ausgangsschwingung, was eine Maximierung des Dynamikbereichs ermöglicht.In Präzisions-Datenerfassungsapplikationen bietet der OPA2210 selbst für 10-V-Ausgangsschwingungen eine schnelle Einschwingzeit mit einer Genauigkeit von bis 16-Bit. Durch eine ausgezeichnete AC-Leistung zusammen mit einem Offset von nur 35 µV (max.) und einer Drift über Temperatur von 0,6 µV/°C (max.) eignet sich der OPA2210 bestens für Hochgeschwindigkeits-Applikationen mit hoher Genauigkeit. Der OPA2210 ist über einen großen Dual-Leistungsversorgungsbereich von ±2,25 V bis ±18 V oder einen Einzelversorgungsbetrieb von 4,5 V bis 36 V und für einen Betrieb von -40 °C bis +125 °C spezifiziert.
Merkmale
- Präzisions-Super-β-Leistung
- Niedrige Offsetspannung: 5 µV (typisch)
- Sehr niedriger Drift: 0,1 µV/°C (typisch)
- Niedriger Eingangs-Bias-Strom: 0,3 nA (typisch)
- Extrem rauscharm
- Niedriges Rauschen von 0,1 Hz bis 10 Hz: 90 nVPP
- Geringes Spannungsrauschen: 2,5 nV/√Hz bei 1 kHz
- Hohes CMRR: 132 dB (min.)
- Verstärkungs-Bandbreitenprodukt: 18 MHz
- Anstiegsrate: 6,4 V/µs
- Niedriger Ruhestrom: 2,5 mA/Kanal (max.)
- Kurzschlussstrom: ±65 mA
- Großer Versorgungsbereich: ±2,25 V bis ±18 V
- Keine Phasenumkehrung
- Rail-to-Rail-Ausgang
Applikationen
- Ultraschall-Scanner
- Medizinische Messgeräte
- Händler-Netzwerk- und Server-PSU
- Halbleiter-Testausstattung
- PLL-Schleifenfilter
- Labor-Messgeräte
- Hochleistungs-ADC-Treiber
- Hochleistungs-DAC-Ausgangsverstärker
- Professionelle Audio-Vorverstärker
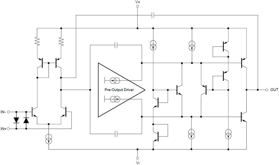
Funktionales Blockdiagramm
Veröffentlichungsdatum: 2019-03-08
| Aktualisiert: 2023-07-31
