Texas Instruments OPA3S2859 Programmierbare Transimpedanzverstärker (TIA)
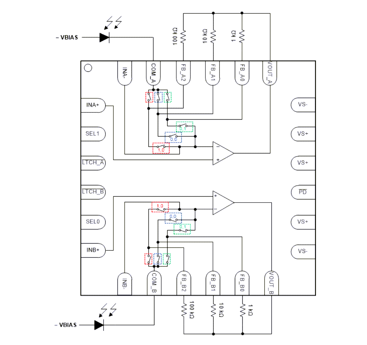
Die programmierbaren Transimpedanzverstärker (TIA) OPA3S2859 von Texas Instruments sind breitbandige, rauscharme programmierbare Verstärker mit CMOS-Eingängen für breitbandige Transimpedanz- und Spannungsverstärkeranwendungen. Durch die Verwendung des OPA3S2859 als Transimpedanzverstärker (TIA) bietet das 0,9-GHz- Verstärkungs-Bandbreitenprodukt (GBWP) hohe Closed-Loop-Bandbreiten in Fotodioden-Applikationen mit geringer Kapazität.Der OPA3S2859 von TI bietet drei interne geschaltete Rückkopplungspfade und einen optionalen parallelen, nicht geschalteten Rückkopplungspfad, der bis zu vier wählbare Verstärkungskonfigurationen ermöglicht. Die internen Schalter minimieren parasitäre Beiträge und erhöhen die Leistung im Vergleich zu Systemen, die diskrete externe Schalter verwenden. Jeder Schalter ist für Rückkopplungswiderstandswerte ab <1kΩ to >100 kΩ für Applikationen mit großem Dynamikbereich optimiert. Der vorgesehene Switch-Pfad wird für beide Kanäle über eine 2-drahtige Parallelschnittstelle gesteuert. Für jeden eingestellten Kanal kann der Verstärkungspfad auch konstant gehalten werden, indem der Latch-Pin betätigt wird, der die Schaltersteuerung für den ausgewählten Kanal ausschaltet und verhindert, dass der Kanal seine Verstärkung ändert. Die OPA3S2859-EP-Bauteile haben Goldbonddrähte, einen Temperaturbereich von -55 bis +105 °C und eine SnPb-Leiterplatte.
Merkmale
- Verstärkungs-Bandbreitenprodukt von 900 MHz
- Interne Schalter für programmierbaren Gain
- Hochohmige FET-Eingänge
- Eingangsspannungsrauschen von 2,2 nV/√Hz
- Anstiegsrate von 350 V/μs
- Versorgungsspannungsbereich von 3,3 V bis 5,25 V
- Ruhestrom von 22 mA/Kanal
- Abschaltmodus IQ: 75 μA
- Temperaturbereich -55 °C bis 125 °C
- Unterstützt Verteidigungs-, Luft- und Raumfahrt- sowie medizinische Anwendungen
- Gesteuerte Baseline
- Ein Montage- und Prüfstandort
- Eine Fertigungsstätte
- Längerer Produktlebenszyklus
- Erweiterte Produkt-Änderungsmitteilung
- Produktrückverfolgbarkeit
Applikationen
- Schaltbarer Transimpedanzverstärker
- Intelligente Munition
- Laser-Entfernungsmessung
- Optische Zeitbereichsreflektometrie (OTDR)
- Silizium-Photomultiplier-Buffer (SiPM).
- Fotomultiplizierer-Röhrennachverstärker
- Hochgeschwindigkeits-Verstärker mit programmierbarer Verstärkung
Datenblätter
Blockdiagramm
Transimpedanz-Bandbreite im Vergleich zur Frequenz
