Texas Instruments OPAx863/OPAx863-Q1 Stromsparende Hochgeschwindigkeits-Operationsverstärker
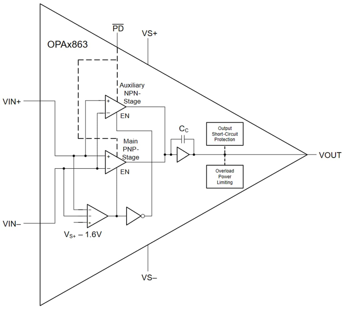
Die stromsparenden Hochgeschwindigkeits-Operationsverstärker (Op-Amps) OPAx863/OPAx863-Q1 von Texas Instruments sind Operationsverstärker mit Verstärkungsfaktor Eins, Rail-to-Rail-Eingang oder -Ausgang und Spannungsrückkopplung. Diese Bauteile sind für den Betrieb in einem Stromversorgungsbereich von 2,7 V bis 12,6 V ausgelegt. Mit einem Verbrauch von nur 700 µA pro Kanal bieten die OPAx863-OpAmps ein Verstärkung-Bandbreite-Produkt von 50 MHz, eine Anstiegsrate von 105 V/µs und eine Spannungsrauschdichte von 5,9 nV/√Hz.Die Rail-to-Rail-Eingangsstufe mit einer Versorgungsspannung von 2,7 V ist für tragbare, batteriebetriebene Anwendungen geeignet. Die Differential-Eingangsstufen sind für das Verstärkungs-Bandbreitenprodukt und das Rauschen über den gesamten Eingangsgleichtaktspannungsbereich gut abgestimmt und ermöglichen eine hervorragende Leistung mit einem großen Eingangsdynamikbereich. Der OPA863 verfügt über einen Abschaltmodus (PD) mit einem PD-Ruhestrom von 1,5 µA (max.) und einem Ein- und Ausschalten innerhalb von 10 µs (typisch).
Die Bauteile der Baureihe OPAx863A/OPAx863-Q1 von Texas Instruments verfügen über eine Überlastleistungsbegrenzung, um den Anstieg des Ruhestroms bei gesättigten Ausgängen zu begrenzen und verhindern dadurch die bei batteriebetriebenen Systemen kritische übermäßige Verlustleistung. Aufgrund der Kurzschlussfestigkeit der Ausgangsstufe eignet sich dieser robuste Verstärker für Allround-Anwendungen. Die Bauteile der Baureihe OPAx863-Q1 sind nach AEC-Q100 für Fahrzeuganwendungen qualifiziert.
Merkmale
- Hohe Bandbreite
- Verstärkungs-Bandbreite: 110 MHz (AV = 1 V/V)
- Verstärkungs-Bandbreitenprodukt: 50 MHz
- Geringer Stromverbrauch
- Ruhestrom: 700 µA/Kanal (typisch)
- Abschaltmodus: 1,5 µA (max.)
- Versorgungsspannung: 2,7 V bis 12,6 V
- Eingangsspannungsrauschen: 5,9 nV/√Hz
- Anstiegsrate: 105 V/µs
- Rail-to-Rail-Eingang und -Ausgang
- HD2/HD3 (–129 dBc/–138 dBc bei 20 kHz (2 VPP))
- Betriebstemperaturbereich: -40 °C bis +125 °C
- Weitere Merkmale:
- Überlast-Leistungsbegrenzung
- Ausgangskurzschluss-Sicherung
Applikationen
- Stromsparender SAR- und ΔΣ-ADC-Treiber
- ADC-Referenzbuffer
- Low-Side-Stromsensoren
- Fotodioden-TIA-Schnittstelle
- Induktive Erkennung
- Ultraschall-Durchflussmesser
- Multifunktionsdrucker
- MDAC-Ausgangsbuffer
- Gain und aktive Filterstufen
Funktionales Blockdiagramm
