Texas Instruments SN65HVD1780/1781/1782 RS-485 Transceiver
Die Texas Instruments SN65HVD1780/1781/1782 RS-485-Transceiver wurden so entwickelt, dass sie Überspannungsfehlern, wie z. B. direkte Kurzschlüsse standhalten können. Diese direkten Kurzschlüsse können Stromversorgungen betreffen und von Fehlverdrahtungen, Steckverbinderausfällen, Kabelbrüchen und Werkzeugfehlanwendungen verursacht werden. Die Geräte sind auch gegenüber ESD-Ereignissen robust und bieten ein hohes Maß an Schutz entsprechend der HBM-Spezifikation (Human-Body-Model). Die SN65HVD1780/1781/1782-Geräte kombinieren einen differentiellen Treiber und einen differentiellen Empfänger, die von einer einzigen Stromversorgung betrieben werden. Im SN65HVD1782 werden die differentiellen Treiberausgänge und die differentiellen Empfängereingänge intern verbunden, um einen Bus-Anschluss zu bilden, der für Halbduplex (Zwei-Draht-Bus)-Kommunikation geeignet ist. Dieser Anschluss verfügt über einen großen Gleichtaktspannungsbereich. Dadurch eignen sich die Bauteile für Mehrpunkt-Applikationen über lange Kabelstrecken.Merkmale
- Bus-Pin-Fehlerschutz
- > ±70 V (SN65HVD1780, SN65HVD1781)
- > ±30 V (SN65HVD1782)
- Betrieb mit 3,3 V bis 5 V Versorgungsbereich
- ±16 kV HBM-Schutz auf den Bus-Pins
- Reduzierte Einheitslast für bis zu 320 Knoten
- Ausfallsicherer Empfänger für Leerlauf-, Kurzschluss- und Leerlauf-Bus-Bedingungen
- Geringer Stromverbrauch
- Niedriger Standby-Versorgungsstrom, max. 1 µA
- ICC 4 mA Ruhestrom im Betrieb
- Pin-kompatibel mit Industriestandard SN75176
- Signalraten von 115 kbps, 1 Mbps und bis zu 10 mbps
Applikationen
- HVAC-Netzwerke
- Sicherheitselektronik
- Gebäudeautomation
- Telekommunikationsausstattung
- Bewegungssteuerung
- Industrielle Netzwerke
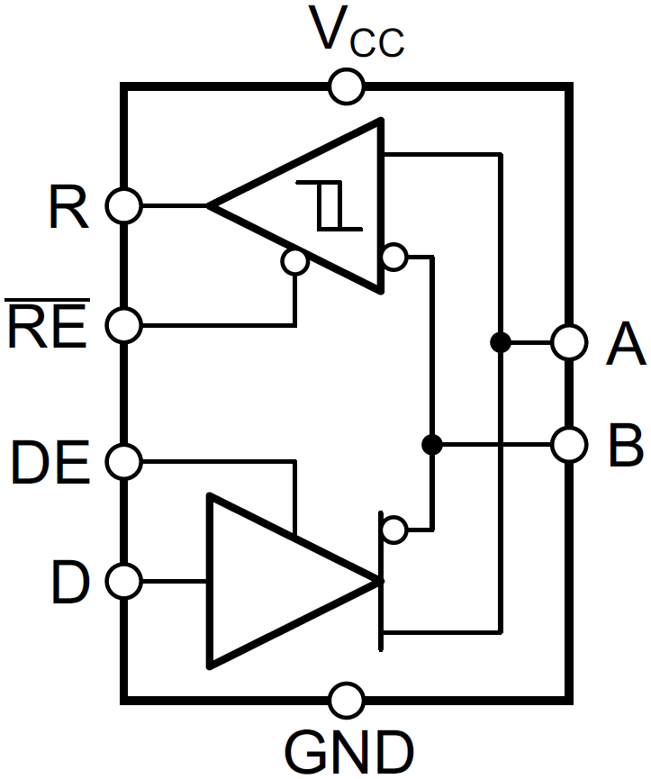
Funktionales Blockdiagramm
Veröffentlichungsdatum: 2016-04-13
| Aktualisiert: 2022-03-11
