Texas Instruments SN74AC138-Q1 3-to-8 Leitungsinvertierende Decoder/Demuxer
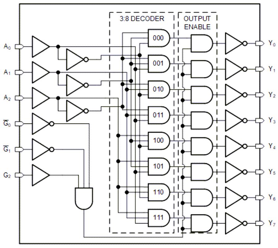
Die Texas Instruments SN74AC138-Q1 3-to-8 Line Inverting Decoder/Demultiplexer enthalten einen Drei-zu-Acht Decoder mit zwei Active Low Output Strobes (G1 und G0) und einem Standard Output Strobe (G2). Wenn die Ausgänge von Texas Instruments SN74AC138-Q1 von einem der Strobe-Eingänge angesteuert werden, werden die Eingänge alle in den High-Zustand gezwungen. Der ausgewählte Ausgang ist low, während alle anderen high sind, wenn die Strobe-Eingänge die Ausgänge nicht deaktivieren.Merkmale
- AEC-Q100 qualifiziert für Automobilanwendungen
- Gerätetemperaturklasse 1 (-40 °C bis +125 °C)
- Gerät HBM ESD-Klassifizierungsstufe 2
- Geräte-CDM-ESD-Klassifizierungsstufe C4B
- Verfügbar im QFN-Gehäuse mit benetzbaren Flanken
- Breiter Einsatzbereich von 1,5 V bis 6 V
- Eingänge akzeptieren Spannungen bis zu 6 V
- Kontinuierlicher Ausgangsantrieb von ±24 mA bei 5 V
- Unterstützt einen Ausgangsantrieb von bis zu ±75 mA bei 5 V in kurzen Impulsen
- Antriebe 50 Ω Übertragungsleitungen
- Maximale tpd von 10,2 ns bei 5 V, 50 pF Last
Applikationen
- Speichergeräteauswahl mit gemeinsamem Datenbus
- Streckendaten
- Reduzieren Sie die erforderliche Anzahl von Ausgängen für Chip-Select-Anwendungen
Logikschaltbild (Positive Logikschaltung)
Weitere Ressourcen
Veröffentlichungsdatum: 2024-08-26
| Aktualisiert: 2025-05-15
