Texas Instruments SN74AC595/SN74AC595-Q1 8-Bit-Schieberegister
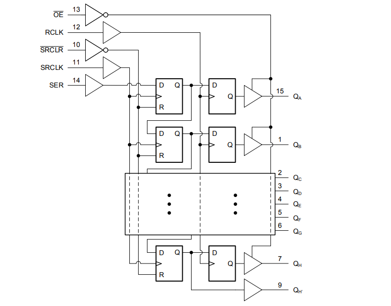
Die 8-Bit-Schieberegister SN74AC595/SN74AC595-Q1 von Texas Instruments enthalten ein 8-Bit-Schieberegister mit seriellem Eingang und parallelem Ausgang, das ein 8-Bit-Speicherregister des Typs D bietet. Mit dieser Konfiguration können Daten in das Schieberegister geladen werden, während die Ausgänge statisch bleiben. Der TI SN74AC595/SN74AC595-Q1 verfügt über 3-stufige Ausgänge, um die Deaktivierung der Ausgänge zu erleichtern. Die Bauteile bieten einen separaten Schieberegister-Ausgang (QH'), um Schieberegister in Reihe zu schalten. Die SN74AC595-Q1 Bauteile sind gemäß AEC-Q100 für Fahrzeuganwendungen zugelassen.Merkmale
- Gemäß AEC-Q100 für Fahrzeuganwendungen zugelassen (SN74AC595-Q1):
- Gerätetemperaturklasse 1 von -40 °C bis +125 °C
- HBM-ESD-Bauteilklassifikation Stufe 2
- CDM-ESD-Bauteilklassifikation Stufe C4B
- Breiter Betriebsbereich von 1,5 V bis 6 V
- Eingänge akzeptieren Spannungen bis zu 6 V
- Kontinuierlicher Ausgangsantrieb von ±24 mA bei 5 V
- Unterstützt einen Ausgangsantrieb von bis zu ±75 mA bei 5 V in kurzen Impulsen
- Steuert 50-Ω-Übertragungsleitungen an
- Maximale tpd von 12 ns bei 5 V, 50 pF Last
Applikationen
- Ausgangserweiterung
- LED-Matrix-Steuerung
- Steuerung von 7-Segment-Anzeigen
Datenblätter
Logik Diagramm (Positive Logik)
Veröffentlichungsdatum: 2024-07-19
| Aktualisiert: 2024-10-18
