Texas Instruments SN74ACT3G99/SN74ACT3G99-Q1 Multifunktions-Gate
Texas Instruments SN74ACT3G99/SN74ACT3G99-Q1 Ultrakonfigurierbares Multifunktions-Gate beinhaltet drei unabhängige konfigurierbare Logik-Gates mit Drei-Zustands-Ausgängen. Jedes Gate hat vier Eingänge und führt die boolesche Funktion Y = (A•C+B•C)⊕D aus. Alle Eingänge sind mit Schmitt-Triggern ausgestattet, sodass fehlerhafte Datenausgaben aufgrund von langsamen oder verrauschten Eingangssignalen vermieden werden. Die Bauteile von Texas Instruments SN74ACT3G99-Q1 sind gemäß AEC-Q100 für Automobilanwendungen zugelassen.Merkmale
- Betriebsspannungsbereich von 4,5 V bis 5,5 V
- TTL-kompatible Schmitt-Trigger-Eingänge unterstützen langsame und verrauschte Eingangssignale
- Kontinuierliche Ausgangssteuerung von ±24 mA bei 5 V
- Unterstützt einen Ausgangsantrieb von bis zu ±75 mA bei 5 V in kurzen Impulsen
- Treiber für 50-Ω-Übertragungsleitungen
- Schneller Betrieb mit einer Verzögerung von maximal 12 ns
Applikationen
- Power-Good-Signale kombinieren
- Kombinieren von Freigabesignalen
- Eliminieren von langsamen oder verrauschten Eingangssignalen
- Synchronisieren von invertierten Takteingängen
- Entprellt einen Schalter
- Weniger Eingänge zur Überwachung von Fehlersignalen verwenden
- Datenauswahl
- Multiplexing
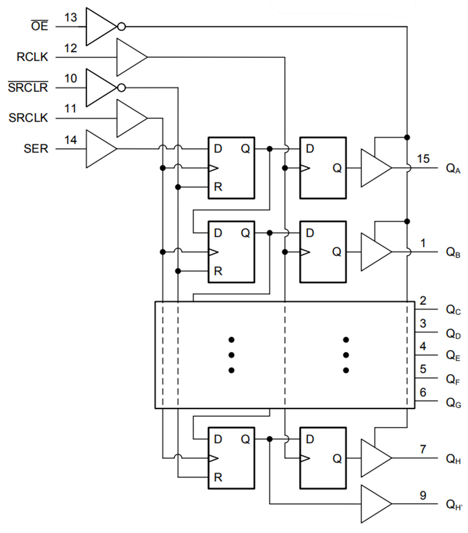
Funktionsdiagramm
Veröffentlichungsdatum: 2025-02-18
| Aktualisiert: 2025-05-07
