Texas Instruments SN74AHC138/SN74AHC138-Q1 3 bis 8-Leitungsdecoder/Demux
Texas Instruments SN74AHC138/SN74AHC138-Q1 3 bis 8 Leitungsdecoder/Demultiplexer wurden für Daten-Routing und Hochleistungs-Speicherdecodierungsanwendungen entwickelt, die sehr kurze Laufzeiten erfordern. Diese Decoder können verwendet werden, um die Auswirkungen der Systemdecodierung in Hochleistungsspeichersystemen zu minimieren. Die Verzögerungszeiten dieser Decoder und die Freigabezeit des Speichers sind in der Regel kürzer als die typische Zugriffszeit, wenn sie mit Hochgeschwindigkeitsspeichern verwendet werden, die eine schnelle Freigabeschaltung nutzen. Diese Eigenschaft bedeutet, dass die effektive Systemverzögerung durch die Decoder unerheblich ist. Die Texas Instruments SN74AHC138-Q1 Bauteile sind AEC-Q100-qualifiziert für Fahrzeuganwendungen.Merkmale
- Betriebsbereich: 2 V bis 5,5 V VCC
- Speziell für Hochgeschwindigkeits-Speicherdecoder und Datenübertragungssysteme entwickelt
- Drei Aktivierungseingänge zur Vereinfachung der Kaskadierung und/oder des Datenempfangs
- Latch-Up-Leistung übertrifft 250 mA gemäß JESD 17
- ESD-Schutz überschreitet JESD 22
- 2.000 V Human-Body Model (A114-A)
- 1.000 V Charged-Device Model (C101)
Applikationen
- Speichergeräteauswahl mit gemeinsamem Datenbus
- Streckendaten
- Reduzieren Sie die erforderliche Anzahl von Ausgängen für Chip-Select-Anwendungen
Datenblätter
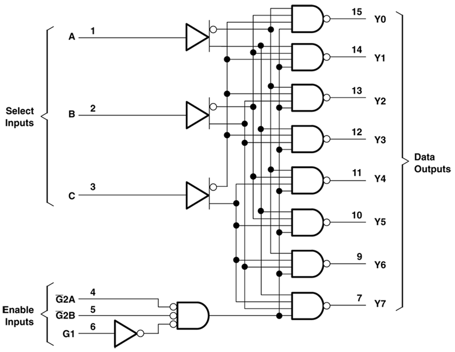
Logikschaltbild (Positive Logikschaltung)
Weitere Ressourcen
- Applikationshinweis: Auswirkungen von langsamen oder potenzialfreien CMOS-Eingängen
- Auswahlhilfe: Little-Logik-Leitfaden
- Auswahlhilfe: Logik-Leitfaden
- Applikationshinweis: So wählen Sie Little Logic aus
- Applikationshinweis: Standardlogik-Datenblätter verstehen und interpretieren
- Benutzerhandbuch: LOGIC Pocket Data Book
- Applikationshinweis: Auswahl der richtigen Pegelumsetzungslösung
- FAS: Die Technologie, die die Automotive-Sicherheit vorantreibt
Veröffentlichungsdatum: 2024-04-30
| Aktualisiert: 2025-06-06
