Texas Instruments SN74AHCT138/SN74AHCT138Q-Q1 Demultiplexer/Decoder
Texas Instruments SN74AHCT138/SN74AHCT138Q-Q1 3-zu-8-Leitungs-Decoder/Demultiplexer sind für den Einsatz in Hochleistungs-Speicherdecodier- und Datenrouting-Applikationen ausgelegt, die sehr kurze Laufzeitverzögerungszeiten benötigen. In Hochleistungsspeichersystemen kann der SN74AHCT138/SN74AHCT138Q-Q1 von TI die Auswirkungen der Systemdekodierung reduzieren. Beim Betrieb mit Hochgeschwindigkeitsspeichern, die eine schnelle Freigabeschaltung verwenden, sind die Verzögerungszeiten dieses Decoders und die Freigabezeit des Speichers im Allgemeinen geringer als die typische Zugriffszeit. Diese Eigenschaft bedeutet, dass die effektive Systemverzögerung durch den Decoder vernachlässigbar ist. Die SN74AHCT138Q-Q1 Bauteile sind gemäß AEC-Q100 für Fahrzeuganwendungen zugelassen.Merkmale
- Für Fahrzeuganwendungen zugelassen (SN74AHCT138Q-Q1)
- EPIC-Prozess (Enhanced-Performance Implanted CMOS)
- Eingänge sind TTL-Spannungs-kompatibel
- Speziell für Hochgeschwindigkeits-Speicherdecoder und Datenübertragungssysteme ausgelegt
- Enthält drei Freigabeeingänge zur Vereinfachung der Kaskadierung und/oder des Datenempfangs
- Latch-up-Leistung übersteigt 250 mA gemäß JESD 17
- Der ESD-Schutz überschreitet 2.000 V gemäß MIL-STD-833, Methode 3015
Datenblätter
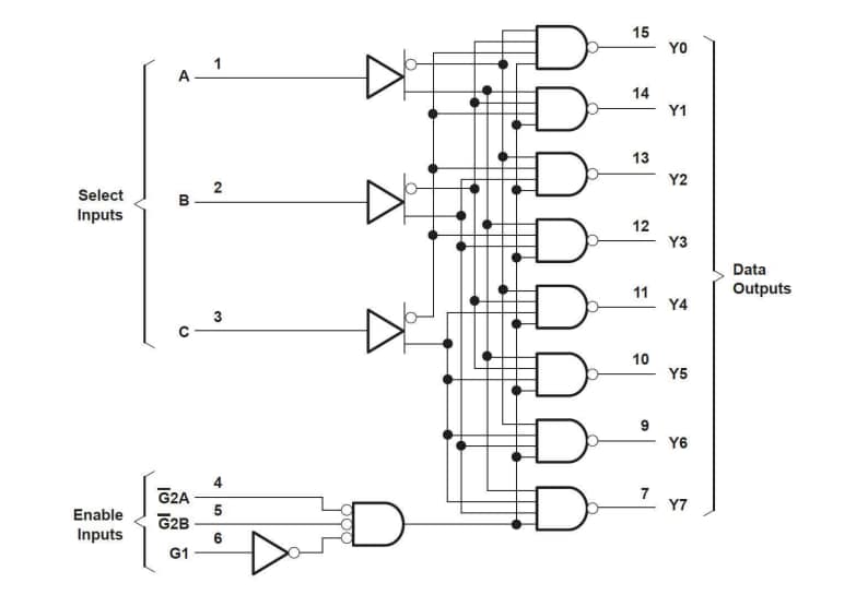
Logisches Diagramm (positive Logik)
Veröffentlichungsdatum: 2024-07-19
| Aktualisiert: 2024-08-02
