Texas Instruments SN74AVC4T774 Bus-Transceiver mit Doppelversorgung
Der Texas Instruments SN74AVC4T774 Bus-Transceiver mit Doppelversorgung verwendet zwei unabhängig konfigurierbare Stromversorgungsschienen. Der A-Anschluss ist zur Verfolgung der VCCA ausgelegt. Die VCCA akzeptiert jede Versorgungsspannung von 1,2 V bis 3,6 V. Der B-Anschluss ist zur Verfolgung der VCCB vorgesehen. Die VCCB akzeptiert jede Versorgungsspannung von 1,2 V bis 3,6 V. Der SN74AVC4T774 ist für den Betrieb mit VCCA/VCCB optimiert, die auf 1,4 V bis 3,6 V festgelegt sind. Die Funktionsfähigkeit mit VCCA/VCCB kann bei minimal 1,2 V liegen. Diese Funktion ermöglicht eine bidirektionale Universal-Niederspannungsumsetzung zwischen beliebigen Spannungsknoten von 1,2 V, 1,5 V, 1,8 V, 2,5 V und 3,3 V.Der SN74AVC4T774 wurde für die asynchrone Kommunikation zwischen Datenbussen ausgelegt. Die Logikpegel des Richtungssteuerungs-Eingangs (DIR) und des Ausgangsfreigabe-Eingangs (OE) aktivieren entweder die B-Anschlussausgänge oder die A-Anschlussausgänge oder bringen beide Ausgangsanschlüsse in den Hochimpedanz-Modus. Das Bauteil überträgt Daten vom A-Bus zum B-Bus, wenn die B-Ausgänge aktiviert sind und vom B-Bus zum A-Bus, wenn die A-Ausgänge aktiviert sind. Die Eingangsschaltung an den A- und B-Anschlüssen ist immer aktiv und muss einen logischen HIGH- oder LOW-Pegel aufweisen, um ein Übermaß an ICC und ICCZ zu vermeiden.
Merkmale
- Jeder Kanal verfügt über einen unabhängigen DIR-Steuerungs-Eingang
- Die VIH-/VIL-Pegel der Steuereingänge beziehen sich auf die VCCA-Spannung
- Vollständig konfigurierbares Doppelschienen-Design ermöglicht den Betrieb jedes Anschlusses über den vollen Versorgungsspannungsbereich von 1,2 V bis 3,6 V
- I/Os sind 4,6V-tolerant
- Ioff unterstützt den Betrieb im teilweisen Abschaltmodus
- Typische Datenraten
- 380 MBit/s (1,8 V bis 3,3 V Umsetzung)
- 200 MBit/s (<1,8 V bis 3,3 V Umsetzung)
- 200 MBit/s (Umsetzung zu 2,5 V oder 1,8 V)
- 150 MBit/s (Umsetzung zu 1,5 V)
- 100 MBit/s (Umsetzung zu 1,2 V)
- Latch-Up-Leistung übersteigt 100 mA gemäß JESD 78, Klasse II
- Der ESD-Schutz übertrifft die folgenden Stufen (getestet nach JESD 22)
- 8.000 V Human-Body-Modell (A114-A)
- 200 V Machine-Modell (A115-A)
- 1.500 V Charged-Device-Modell (C101)
Applikationen
- Persönliche Elektronik
- Industrie
- Unternehmensapplikationen
- Telekommunikation
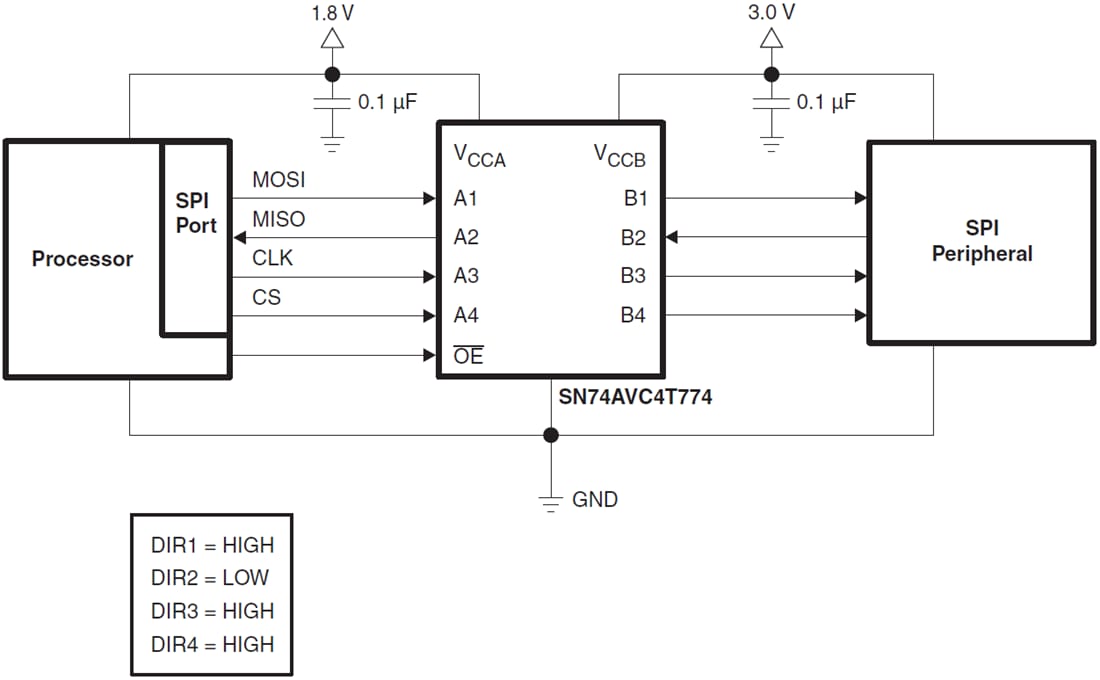
Typische Applikations-Schaltung
Veröffentlichungsdatum: 2019-01-31
| Aktualisiert: 2025-06-25
