Texas Instruments SN74AVCH2T45 Bus-Transceiver mit Dual-Versorgung
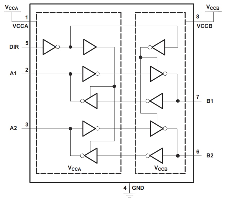
Der SN74AVCH2T45 Bus-Transceiver mit Dual-Versorgung von Texas Instruments ist ein nicht-invertierender 2-Bit-Bus-Transceiver, der zwei konfigurierbare Stromversorgungsschienen verwendet. Der A-Anschluss ist zur Verfolgung von VCCA und der B-Anschluss ist zur Verfolgung von VCCB ausgelegt. VCCA und VCCB akzeptieren jede Versorgungsspannung von 1,2 V bis 3,6 V. Diese Funktion ermöglicht eine bidirektionale Universal-Niederspannungsumsetzung zwischen 1,2 V, 1,5 V, 1,8 V, 2,5 V und 3,3 V Spannungsknoten.Der SN74AVCH2T45 ist für die asynchrone Kommunikation zwischen zwei Datenbussen ausgelegt. Die Logikpegel des Richtungssteuerungseingangs (DIR-Pin) aktivieren entweder die A-Anschlussausgänge oder die B-Anschlussausgänge. Das Bauteil überträgt Daten vom A-Bus zum B-Bus, wenn die B-Anschluss-Ausgänge aktiviert sind und vom B-Bus zum A-Bus, wenn die A-Anschluss-Ausgänge aktiviert sind. Der SN74AVCH2T45 verfügt über eine aktive Bus-Hold-Schaltung, die nicht verwendete oder nicht angetriebene Eingänge in einem gültigen Logikzustand hält. Texas Instruments empfiehlt keine Pull-Up- oder Pull-Down-Widerstände mit der Bus-Hold-Schaltung.
Merkmale
- Erhältlich im NanoFree™-Gehäuse von Texas Instruments
- VCC -Isolierung
- 2-rail-Ausführung
- I/Os sind 4,6-V-tolerant
- Betrieb im teilweisen Abschaltmodus
- Bus-Hold auf Dateneingängen
- Latch-Up-Leistung übertrifft 100 mA gemäß JESD 78, Klasse II
- Maximale Datenraten
- 500 Mbps (1,8 V bis 3,3 V)
- 320 Mbps (<1,8 V bis 3,3 V)
- 320 MBit/s (Pegelverschiebung zu 2,5 V oder 1,8 V)
- 280 MBit/s (Pegelverschiebung zu 1,5 V)
- 240 MBit/s (Pegelverschiebung zu 1,2 V)
- ESD-Schutz überschreitet JESD 22
Applikationen
- Smartphone
- Server
- Desktop-PCs und Notebooks
- Andere tragbare Geräte
Weitere Ressourcen
- Applikationshinweis: Verständnis der transienten Antriebsstärke gegenüber DC-Antriebsstärke in Pegelwandlern
- Auswahlhilfe: Kaufanleitung Spannungsumsetzung
- Auswahlhilfe: Logik-Leitfaden
- Applikationshinweis: Standard-Logik-Datenblätter verstehen und interpretieren
- Applikationshinweis: Spannungsumsetzung zwischen 3,3 V, 2,5 V, 1,8 V und 1,5 V Logikstandards
- Benutzerhandbuch: Logik-Taschendatenbuch
Logikschaltbild (Positive Logikschaltung)
Veröffentlichungsdatum: 2025-02-17
| Aktualisiert: 2025-03-11
