Texas Instruments SN74CB3T3245 8-Bit FET BUS Schalter
Texas Instruments SN74CB3T3245 8-Bit -FET- BusSchalter sind schnelle, TTL-kompatible Schalter mit niedrigem Einschaltwiderstand (RON) für minimale Laufzeitverzögerungen. Diese BUS-Schalter unterstützen den Mixed-Mode Signalbetrieb auf allen Daten I/O Ports, indem sie Spannungsumsetzung bereitstellen, das VCC verfolgt. Die SN74CB3T3245 BUS-Schalter verfügen über Standard 245-type Pinbelegung 5V-tolerant I/Os mit ein- oder ausgeschaltetem Gerät und Ausgang Spannung Umsetzung Spuren. Typische Applikationen umfassen Level Umsetzung, PCI Schnittstelle, USB Schnittstelle, Speicher-Interleaving und BUS-Isolierung.Merkmale
- Standard 245-type Pinbelegung
- Ausgangsspannungsübersetzungsspuren V CC
- Unterstützt den Mixed-Mode -Signalbetrieb an allen Daten I/O Ports:
- Pegelwandlung von Eingang mit 5 V auf Ausgangspegel von 3,3 V bei VCC von 3,3 V
- 5 V/3,3 V Eingang bis auf 2,5 V Ausgangspegelverschiebung mit 2,5 V VCC
- 5V-tolerante I/Os mit eingeschaltetem oder ausgeschaltetem Gerät
- Bidirektionaler Datenfluss mit nahezu null Laufzeitverzögerungen
- Niedriger Einschaltwiderstand (RON)-Eigenschaften (RON = 5Ω typisch)
- Geringe Eingangskapazität und Ausgangskapazität minimieren die Belastung (CIO(OFF) = 5 pF typisch)
- Die Daten- und Steuerungsingänge verfügen über Überschwingungsgrenzen-Dioden
- Niedriger Stromverbrauch (ICC = maximal 40 μA)
- Betriebsbereich VCC: 2,3 V – 3,6 V
- Die Daten-Eingänge unterstützen Signalpegel von 0 bis 5 V (0,8 V, 1,2 V, 1,5 V, 1,8 V, 2,5 V, 3,3 V und 5 V).
- Steuereingänge können durch TTL- oder 5V/3.3V CMOS-Ausgänge angesteuert werden
- Ioff unterstützt den Teilabschaltmodus
- Das Betriebsverhalten bei Latch-up übersteigt 250 mA pro JESD 17.
- ESD Betriebsverhalten getestet gemäß JESD 22:
- 2.000 V Human-Body-Modell (A114-B, Klasse II)
- 1.000 V Charged-Device Model (C101)
- Entwickelt für stromsparend tragbare Geräte
Applikationen
- Umsetzung
- Schnittstelle PCI
- Schnittstelle USB
- Speicherverschachtelung
- Isolierung des BUS
Funktionales Blockdiagramm
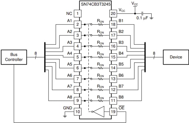
Typisches Anwendungsschema
Typische Kennlinie
Veröffentlichungsdatum: 2025-09-29
| Aktualisiert: 2025-10-13
