Texas Instruments SN74HC595B 8-Bit-Schieberegister
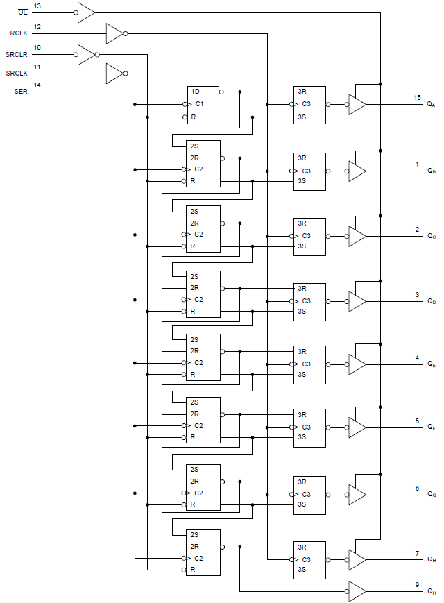
Texas Instruments SN74HC595B 8-Bit-Schieberegister beinhalten ein 8-Bit-SIPO-Schieberegister, das ein 8-Bit D-Typ-Speicherregister versorgt. Das Speicherregister hat parallele 3-Stufen-Ausgänge. Sowohl das Schiebe- als auch das Speicherregister werden separat getaktet. Das Schieberegister verfügt über einen direkten übergeordneten transparenten (SRCLR)-Eingang, einen seriellen (SER)-Eingang und serielle Ausgänge zur Kaskadierung. Wenn der Output-Enable (OE)-Eingang hoch ist, befinden sich alle Ausgänge, außer QH im hochohmigen Zustand.Merkmale
- Seriell-In-, Parallel-Out-8-Bit-Schieberegister
- Erhältlich in einem sehr kleinen Logik-QFN-Gehäuse (0,5 mm max. Höhe)
- Überspannungstoleranz auf Eingänge unabhängig von VCC
- Breiter Betriebsspannungsbereich von 2 V bis 6 V
- Hochstrom-3-Stufen-Ausgänge können bis zu 15 LSTTL Lasten antreiben
- Geringer Stromverbrauch: 80 µA (max.) ICC
- tpd = 13 ns (typisch)
- ±6 mA Ausgangsantrieb bei 5 V
- Niedriger Eingangsstrom: 1 µA (max.)
- Das Schieberegister verfügt über Direct Clear
- -55 °C bis 125 °C Betriebstemperatur
Applikationen
- Netzwerkschalter
- Fabrikautomatisierung
- Mobile Wearables
- Industrielle Gebäudeautomatisierung
- Leistungs-Infrastruktur
- LED-Anzeigen
- Server
Funktionales Blockdiagramm
Veröffentlichungsdatum: 2016-05-31
| Aktualisiert: 2025-05-05
