Texas Instruments SN74HC74/SN74HC74-Q1 Zweifach-Flipflops des D-Typs
Texas Instruments SN74HC74/SN74HC74-Q1 Zweifach-Flip-Flops des D-Typs enthalten zwei unabhängige Flip-Flops des D-Typs mit positiver Flankenauslösung und jeweils asynchronen Voreinstellungen und Lösch-Pins. Diese Bauteile verfügen über einen großen Betriebsspannungsbereich von 2 V bis 6 V und einen großen Betriebstemperaturbereich von -40°C bis +85°C. Die SN74HC74-EP Bauteile verfügen über Gold-Bonddrähte, einen Temperaturbereich von –55 bis +105°C und einen SnPb-Leitungsfinish. Die SN74HC74-Q1 Bauteile von Texas Instruments sind gemäß AEC-Q100 für Fahrzeuganwendungen zugelassen.Merkmale
- Gepufferte Eingänge
- Betriebstemperaturbereich
- SN74HC74: -40 °C bis +85 °C
- SN74HC74-EP: -55 °C bis 125 °C
- SN74HC74-Q1: -40 C bis +125 °C
- Breiter Betriebsspannung Bereich von 2 V bis 6 V
- Unterstützt Fanout von bis zu 10 LSTTL-Lasten
- Signifikante Leistungsreduzierung im Vergleich zu LSTTL Logik-ICs
Applikationen
- Umwandeln eines Tastenschalters in einen Kippschalter
- Taktsignal durch 2 oder 4 teilen
Weitere Ressourcen
- SN74HC74 Datenblatt
- SN74HC74-EP Datenblatt
- SN74HC74-Q1 Datenblatt
- Applikationshinweis: Design mit Logikschaltung
- Applikationshinweis: Auswirkungen langsamer oder potentialfreier CMOS-Eingänge
- Applikationshinweis: Datenblätter für Standard-Logikschaltungen verstehen und interpretieren
- Applikationshinweis: Verwendung von Hochgeschwindigkeits-CMOS und fortschrittlichem CMOS in Systemen mit mehreren VCC
- Auswahlhilfe: Leitfaden für Logikschaltung
- Benutzerhandbuch: LOGIC Pocket Data Book
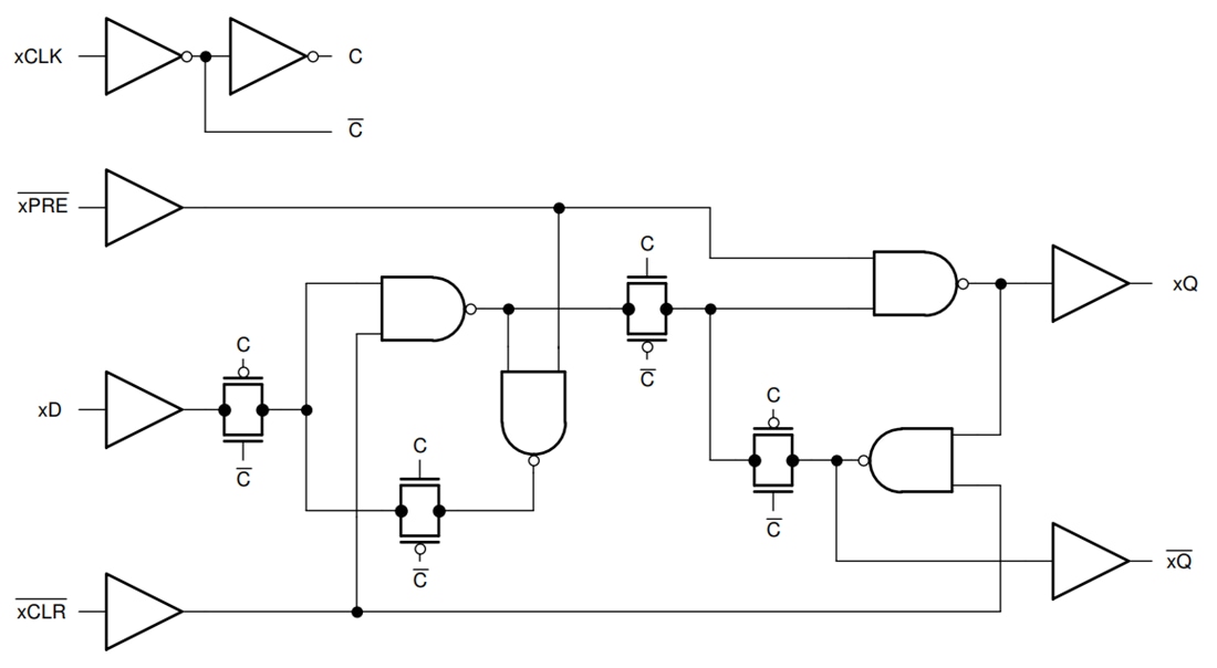
Funktionales Blockdiagramm
Veröffentlichungsdatum: 2025-05-01
| Aktualisiert: 2025-05-09
