Texas Instruments SN74HCS596/SN74HCS596-Q1 8-Bit-Schieberegister
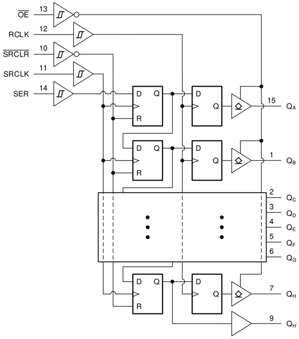
Das SN74HCS596-Q1 8-Bit-Schieberegister mit seriellem Eingang/parallelem Ausgang von Texas Instruments enthält ein parallelgeschaltetes 8-Bit-Schieberegister, das ein 8-Bit-Speicherregister des Typs D versorgt. Alle Eingänge umfassen Schmitt-Trigger, die alle fehlerhaften Datenausgänge aufgrund von langsamen oder verrauschten Eingangssignalen eliminieren. Das Speicherregister verfügt über parallele Open-Drain-Ausgänge. Separate Taktgeber werden sowohl für die Verschiebung als auch für das Speicherregister bereitgestellt. Das Schieberegister verfügt über einen direkten übergeordneten Löscheingang (SRCLR), einen seriellen (SER)-Eingang und serielle Ausgänge zur Kaskadierung. Wenn der Output-Enable(OE)-Eingang hoch ist, befinden sich die Ausgänge im hochohmigen Zustand. Die internen Registerdaten auf dem SN74HCS596/SN74HCS596-Q1 von Texas Instruments werden durch den Betrieb des OE-Eingangs nicht beeinflusst. Die SN74HCS596-Q1 Bauteile sind gemäß AEC-Q100 für Fahrzeuganwendungen zugelassen.Merkmale
- 2 V bis 6 V großer Betriebsspannungsbereich
- Schmitt-Trigger-Eingänge ermöglichen langsame oder verrauschte Eingangssignale
- Ausgangsantrieb bei 6 V: ±7,8 mA
- Geringer Stromverbrauch
- Typischer ICC von 100 nA
- Typischer Eingangsableitstrom von ±100 nA
Applikationen
- Ausgangserweiterung
- LED-Matrix-Steuerung
- 7-Segment-Display-Steuerung
- 8-Bit-Datenspeicher
Datenblätter
Funktionales Blockdiagramm
Veröffentlichungsdatum: 2020-07-14
| Aktualisiert: 2024-07-02
