Texas Instruments SN74HCT139 Dual-2-to-4-Leitungs-Decoder/Demux
Texas Instruments SN74HCT139 Dual-2-to-4-Leitungs-Decoder/Demultiplexer bestehen aus zwei einzelnen 2-line-zu-4-line-Decoder in einem einzigen Gehäuse. Der Active-Low-Freigabeeingang (G) kann als Datenleitung in Demultiplexing-Applikationen verwendet werden. Die SN74HCT139 Decoder/Demultiplexer von Texas Instruments verfügen über vollständig gepufferte Eingänge, die nur eine normalisierte Last zu ihrer Treiberschaltung darstellen.Merkmale
- Betriebsspannungsbereich von 4,5 V bis 5,5 V
- Die Ausgänge können bis zu 10 LSTTL-Lasten ansteuern
- Geringer Stromverbrauch, 80 µA (max.) ICC
- Typische tpd = 10 ns
- ±4 mA Ausgangsantrieb bei 5 V
- Niedriger Eingangsstrom von 1 µA (max.)
- Eingänge sind TTL-Spannungs-kompatibel
- Speziell für Hochgeschwindigkeits-Speicherdekoder und Datenübertragungssysteme entwickelt
- Zwei Aktivierungseingänge zur Vereinfachung der Kaskadierung und/oder des Datenempfangs
Applikationen
- Adressdekodierung in Speichersystemen
- Demultiplexen
- Signal-Routing
- Code-Umwandlung
- Allgemeine Logikvorgänge
- Hochgeschwindigkeits-Applikationen
Weitere Ressourcen
- Applikationshinweis: Design mit Logikschaltung
- Applikationshinweis: Auswirkungen langsamer oder potentialfreier CMOS-Eingänge
- Applikationshinweis: Datenblätter für Standard-Logikschaltungen verstehen und interpretieren
- Applikationshinweis: Verwendung von Hochgeschwindigkeits-CMOS und fortschrittlichem CMOS in Systemen mit mehreren VCC
- Auswahlhilfe: Leitfaden für Logikschaltung
- Benutzerhandbuch: Logik-Taschendatenbuch
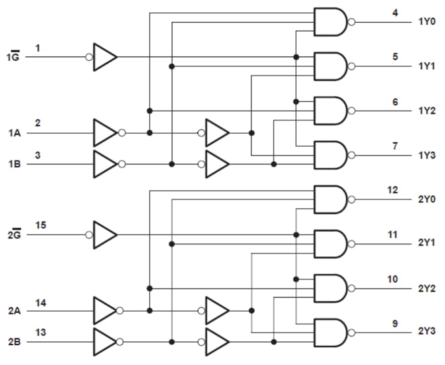
Funktionales Blockdiagramm
Veröffentlichungsdatum: 2025-05-05
| Aktualisiert: 2025-05-08
