Texas Instruments SN74LV2T74/SN74LV2T74-Q1 Dual-D-Flip-Flop
Texas Instruments SN74LV2T74/SN74LV2T74-Q1 Dual-Flip-Flops des D-Typs enthalten zwei unabhängige D-Typ-Flip-Flops mit positivem Edge-Trigger. Ein niedriger Pegel am voreingestellten (PRE) Eingang stellt den Ausgang auf hoch ein. Ein niedriger Pegel am CLR-Eingang (Clear, CLR) setzt den Ausgang auf niedrig zurück. Die asynchronen Setz- und Rücksetzfunktionen sind nicht von den Pegeln der anderen Eingänge abhängig. Wenn PRE und CLR inaktiv (hoch) sind, erfüllen die Daten am Daten(D)-Eingang die Einstellungszeitanforderungen und werden zu den Ausgängen (Q, Q) auf dem Positiv-Going-Edge des Taktimpulses (CLK) übertragen. Die Taktauslösung erfolgt auf einem Spannungsniveau und nicht in unmittelbarem Zusammenhang mit der Anstiegszeit des Eingangstakt(CLK)-Signals. Nach dem Haltezeitintervall können Daten am Dateneingang (D) geändert werden, ohne dass sich dies auf die Pegel an den Ausgängen (Q, Q) auswirkt. Der Ausgangspegel bezieht sich auf die Versorgungsspannung (VCC) und unterstützt CMOS-Pegel von 1,8 V, 2,5 V, 3,3 V und 5 V.Der Eingang ist mit einer Schaltung mit niedrigerem Schwellwert ausgestattet, um die Aufwärtsumsetzung für CMOS-Eingänge mit geringerer Spannung zu unterstützen (beispielsweise 1,2-V-Eingang zu 1,8-V-Ausgang oder 1,8-V-Eingang zu 3,3-V-Ausgang). Darüberhinaus ermöglichen die 5-V-toleranten Eingangspins eine Abwärtsumsetzung (beispielsweise einen Ausgang von 3,3 V zu 2,5 V). Die SN74LV2T74-Q1 Bauteile von Texas Instruments sind gemäß AEC-Q100 für Fahrzeuganwendungen zugelassen. Die Bauteile LSN74LV2T74-EP verfügen über Goldbonddrähte, einen Temperaturbereich von –55 bis +105 °C und eine SnPb-Leiteroberfläche.
Merkmale
- Großer Betriebsbereich von 1,8 V bis 5,5 V
- Spannungsumsetzer mit einfacher Versorgung (siehe verbesserte Eingangsspannung LVxT):
- Aufwärtsumsetzung
- 1,2 V bis 1,8 V
- 1,5 V bis 2,5 V
- 1,8V bis 3,3V
- 3,3 V bis 5,0 V
- Abwärtsumsetzung
- 5,0 V, 3,3 V, 2,5 V bis 1,8 V
- 5,0 V, 3,3 V bis 2,5 V
- 5,0 V bis 3,3 V
- Aufwärtsumsetzung
- 5,5-V-tolerante Eingangspins
- Unterstützt Standard-Pinbelegungen
- Bis zu 150 Mbit/s mit 5 V oder 3,3 V VCC
- Latch-Up-Leistung überschreitet 250 mA gemäß JESD 17
Applikationen
- Umwandlung eines Tasters in einen Kippschalter
- Ein Signal während einem Controller-Reset halten
- Langsame Edge-Raten-Signale eingeben
- In lauten Umgebungen betreiben
- Ein Taktsignal durch zwei teilen
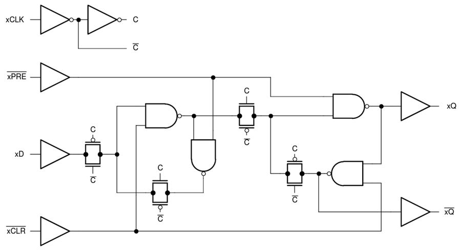
Funktionales Blockdiagramm
Veröffentlichungsdatum: 2023-06-16
| Aktualisiert: 2024-01-05
