Texas Instruments SN74LV594A/SN74LV594A-Q1 serielle Schieberegister
Die seriellen 8-Bit-Parallel-Out-Schieberegister SN74LV594A/SN74LV594A-Q1 von Texas Instruments sind für den VCC -Betrieb von 2 V bis 5,5 V ausgelegt. Der SN74LV594A-Q1 ist für Fahrzeuganwendungen qualifiziert (AEC-Q100) und ist in einem QFN-Gehäuse mit benetzbarer Flanke (WBQB) erhältlich. Der TI SN74LV594A/-Q1 bietet eine direkte Übersteuerung, die auf Schieberegister und Speicherregister löscht.Merkmale
- AEC-Q100-qualifiziert für Fahrzeuganwendungen (SN74LV594A-Q1):
- Gerätetemperaturklasse 1 bei -40 °C bis +125 °C, TA
- Gerät HBM ESD-Klassifizierungsstufe 2
- CDM-ESD-Bauteilklassifikation Stufe C6
- Verfügbar im QFN-Gehäuse mit benetzbarer Flanke (WBQB)
- VCC -Betrieb von 2 V bis 5,5 V
- Maximaler tpd von 6,5 ns bei 5 V
- Typische VOLP (Output Ground Bounce) < 0,8="" v="" bei="">CC = 3,3 V, TA = 25 °C
- Unterstützt Mixed-Mode-Spannungsbetrieb an allen Ports
- 8-bit-Schieberegister mit seriellem Eingang, parallelem Ausgang und Speicher
- Unabhängige direkte Übersteuerung löscht Schiebe- und Speicherregister
- Unabhängige Takte für Schiebe- und Speicherregister
- Latch-Up-Leistung übertrifft 100 mA gemäß JESD 78, Klasse II
Applikationen
- Ausgangserweiterung
- LED-Matrix-Steuerung
- 7-Segment-Display-Steuerung
- EKG-Elektrokardiogramme
- Speicher-Server
- EPOS, ECR und Kassenschubladen
- Server und Hochleistungs-Computing
Datenblätter
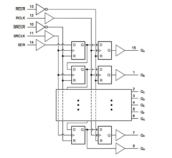
SN74LV594A Logik-Diagramm (positive Logik)
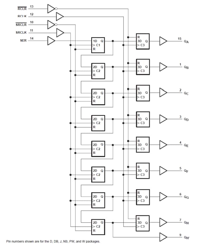
SN74LV594A-Q1 Logik-Diagramm (positive Logik)
Veröffentlichungsdatum: 2023-01-16
| Aktualisiert: 2025-07-03
