Texas Instruments SN74LV8T596/SN74LV8T596-Q1 8-Bit-Schieberegister
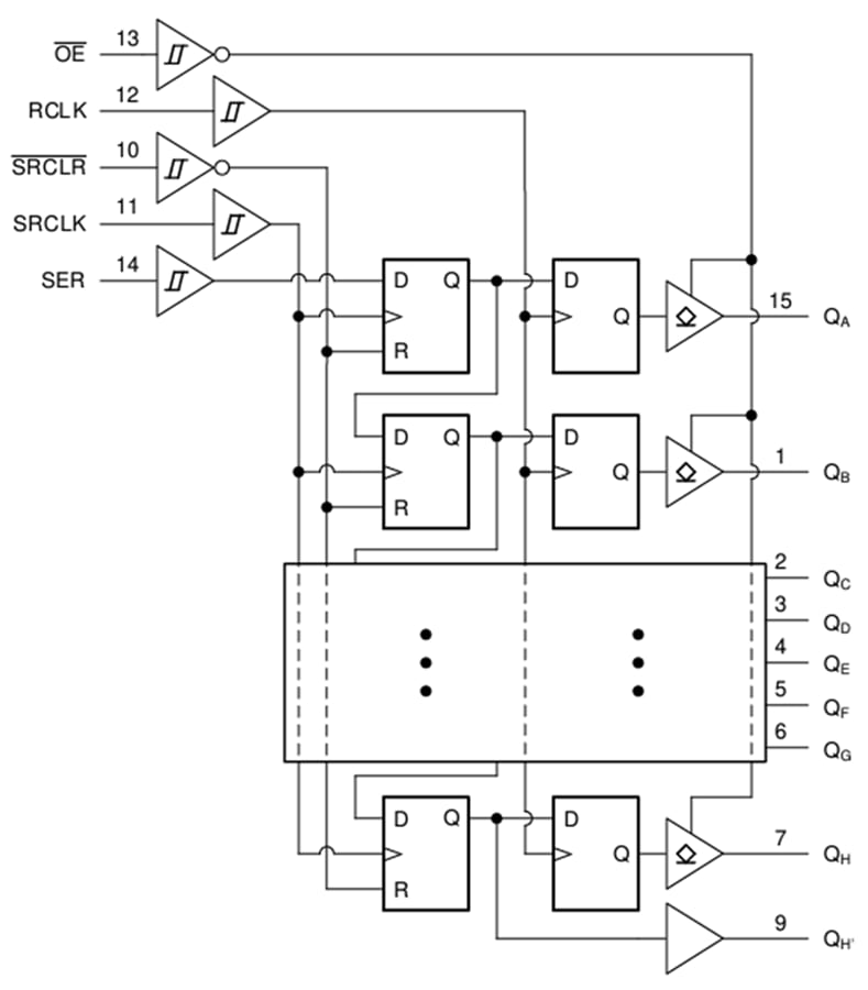
Das 8-Bit-Serienladeschieberegister SN74LV8T596/SN74LV8T596-Q1 von Texas Instruments enthält ein 8-Bit-SIPO-Schieberegister (serial-in, parallel-out), das ein 8-Bit-D-Speicherregister speist. Alle Eingänge sind mit Schmitt-Triggern ausgestattet, so dass fehlerhafte Datenausgaben aufgrund von langsamen oder verrauschten Eingangssignalen ausgeschlossen sind. Das Speicherregister hat parallele Open-Drain-Ausgänge. Sowohl für das Speicher- als auch für das Schieberegister sind separate Taktgeber vorgesehen. Das Schieberegister hat einen direkten übergeordneten Clear-Eingang (SRCLR), einen seriellen Eingang (SER) und einen seriellen Ausgang (QH’) für die Kaskadierung. Wenn der Eingang für die Ausgangsfreigabe (OE) hoch ist, befinden sich die Ausgänge im Zustand hoher Impedanz. Der Betrieb des OE-Eingangs hat keinen Einfluss auf die internen Registerdaten.Der Eingang ist mit einer Schaltung mit reduziertem Schwellenwert ausgestattet, um die Aufwärtsübersetzung zu unterstützen, wenn die Versorgungsspannung größer als die Eingangsspannung ist. Die 5-V-toleranten Eingangsstifte ermöglichen auch die Abwärtsübersetzung, wenn die Eingangsspannung größer als die Versorgungsspannung ist. Der Ausgangspegel bezieht sich immer auf die Versorgungsspannung (VCC) und unterstützt die CMOS-Pegel 1,8 V, 2,5 V, 3,3 V, und 5 V . Die SN74LV8T596-Q1-Bauteile von Texas Instruments sind nach AEC-Q100 für Fahrzeuganwendungen qualifiziert.
Merkmale
- Verriegelungslogik mit bekanntem Einschaltzustand sorgt für konsistentes Startverhalten
- Großer Betriebsbereich: 1,65 V bis 5,5 V
- 5,5-V-tolerante Eingangspins
- Unterstützt Standardfunktions-Pinbelegung
- Latch-up-Leistung übertrifft 250 mA gemäß JESD 17
- LVxT-erweiterte Eingänge kombiniert mit Open-Drain-Ausgängen bieten maximale Flexibilität bei der Spannungsumsetzung
- Über 6.67 Mbit/s Betrieb, (RPU = 1 kΩ,CL = 30 pF)
- Aufwärtsumsetzung von 1,2 V zu 5 V mit 1,8 V Versorgung
- Abwärtsumsetzung von 5 V auf 0,8 V oder sogar weniger mit jeder gültigen Versorgung
Applikationen
- Digitale Beschilderung
- Steuerung von Anzeige-LEDs
- Die Anzahl der Ausgänge eines Mikrocontrollers erhöhen
Funktionales Blockdiagramm
Weitere Ressourcen
Veröffentlichungsdatum: 2024-06-07
| Aktualisiert: 2025-05-08
