Texas Instruments SN74LXC8T245/SN74LXC8T245-Q1 Dual-Transceiver
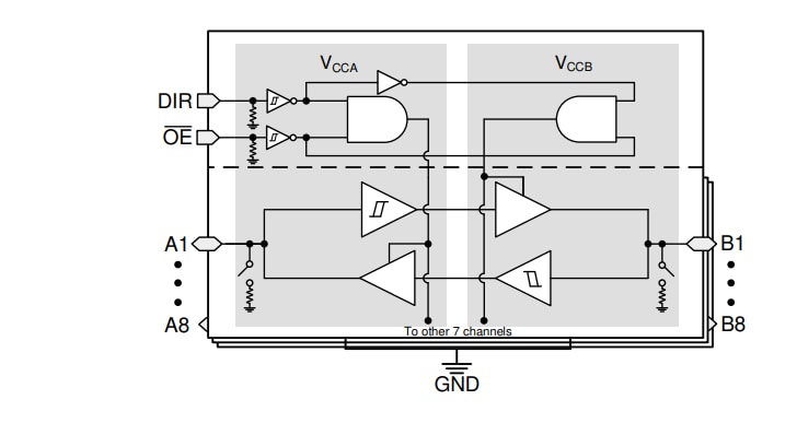
Texas Instruments SN74LXC8T245/SN74LXC8T245-Q1 Dual-Supply TRANSCEIVER sind nicht-invertierende, bidirektionale 8-Bit Spannungspegelumsetzer. Ax-Pins und Steuer-Pins (DIR und OE) beziehen sich auf VCCA CCA-Logikpegel und Bx-Pins beziehen sich auf VCCB -Logikpegel. Der A-Anschluss kann I/O-Spannungen im Bereich von 1,1 V bis 5,5 V akzeptieren, während der B-Anschluss I/O-Spannungen von 1,1 V bis 5,5 V akzeptieren kann. Ein hoher Wert auf DIR ermöglicht die Datenübertragung von A bis B und ein niedriger Wert auf DIR bietet eine Datenübertragung von B zu A, wenn OE auf niedrig eingestellt ist. Wenn OE auf hoch eingestellt ist, befinden sich sowohl die Ax- als auch Bx-Pins im hochohmigen Zustand.Die SN74LXC8T245-Q1 Automotive-Transceiver mit Dual-Versorgung von TI verfügen über eine Betriebstemperatur von -40 °C bis +125 °C. Die Bauteile sind in einem 24-Pin-TSSOP- und einem 24-Pin-VQFN-Gehäuse verfügbar.
Merkmale
- Ein vollständig konfigurierbares Doppelschienen-Design ermöglicht den Betrieb der einzelnen Anschlüsse von 1,1 V bis 5,5 V
- Robuste, störungsfreie Stromversorgungssequenzierung
- Unterstützung von bis zu 420 MBit/s für 3,3 V bis 5,0 V
- Schmitt-Trigger-Eingänge lassen langsame oder verrauschte Eingangssignale zu
- I/Os mit integrierten dynamischen Pull-Down-Widerständen tragen zur Reduzierung der Anzahl externer Komponenten bei
- Steuereingänge mit integrierten statischen Pull-Down-Widerständen ermöglichen potenzialfreie Steuereingänge
- Hohe Antriebskraft (bis zu 32 mA bei 5 V)
- Geringer Stromverbrauch
- 4 µA max. (25 °C)
- 12 µA max. (-40 °C bis 125 °C)
- VCC Isolierung und VCC -Trennfunktion (Ioff-float)
- Wenn eine VCC -Versorgung entweder 100 mV oder getrennt ist, werden alle I/Os nach unten gezogen und werden dann hochohmig
- Ioff unterstützt den Betrieb im teilweisen Abschaltungsmodus
- Kompatibel mit Pegelwandlern der LVC-Produktfamilie
- Die Steuerlogikschaltung (DIR und OE) ist auf VCCA referenziert
- Betriebstemperatur: -40 °C bis ++125 °C
- Latch-Up-Leistung übertrifft 100 mA gemäß JESD 78, Klasse II
- ESD-Schutz überschreitet JESD 22
- Human-Body-Modell: 4.000 V
- 1.000-V-Charged-Device-Model
Applikationen
- Verhindert langsame oder verrauschte Eingangssignale
- Treiberanzeige-LEDs oder Summer
- Entprellung eines mechanischen Schalters
- Infotainment-Haupteinheit
- FAS-Fusion
Datenblätter
Vereinfachter Schaltplan
Veröffentlichungsdatum: 2020-12-16
| Aktualisiert: 2024-10-18
