Texas Instruments TAx5x12EVM-K Evaluierungsmodule (EVMs)
Texas Instruments TAx5x12EVM-K Evaluierungsmodule (EVMs) ermöglichen dem Benutzer das Testen der Fähigkeiten verschiedener Audio-CODECs, ADCs und DACs von TI. Der TAC5212 ist ein stromsparender Stereo-Audiocodec mit einem ADC-Dynamikbereich von 118 dB und einem DAC-Dynamikbereich von 119 dB. Der TAC5112 ist ein stromsparender Stereo-Audiocodec mit einem ADC-Dynamikbereich von 100 dB und einem DAC-Dynamikbereich von 106 dB. Der TAD5212 ist ein stromsparender Stereo-Audio-DAC mit einem Dynamikbereich von 119 dB oder dem TAA5212 stromsparenden Stereo-Audio-ADC mit einem Dynamikbereich von 118 dB. Die Evaluierungsmodule sind mit dem AC-MB gekoppelt, einem flexiblen Motherboard, die das Evaluierungsmodul mit Strom, Steuerdaten und digitalen Audiodaten versorgt. Die TAx5x1x-Produktfamilie von Texas Instruments werden über die PurePathConsole 3 (PPC3) GUI konfiguriert.Merkmale
- Vollständiges Evaluierungskit für den TAC5212, einen Stereo-Hochleistungs-Codec, einen TAC5112, einen Stereo-Codec, einen TAD5212, einen Stereo-Hochleistungs-DAC oder TAA5212, einen Stereo-Hochleistungs-ADC
- On-Board-Mikrofone für Sprachaufzeichnungstests
- Direkter Zugriff auf digitale Audiosignale und Steuerschnittstelle für eine einfache Integration in das Endsystem
- USB-Verbindung zum PC liefert Strom, Steuerung und Streaming von Audiodaten für eine einfache Evaluierung
Lieferumfang Kit
- TAC5212, TAC5112, TAD5212 oder TAA5212 Bauteil
- TAx5x12EVM tochterboard
- AC-MB Controller/Motherboard
Applikationen
- Mobiler Landfunk
- IP-Netzwerkkamera
- IP-Telefon
- Videokonferenzsystem
- Professionelles Audio-Mischpult/Steuerungsoberfläche
Weitere Ressourcen
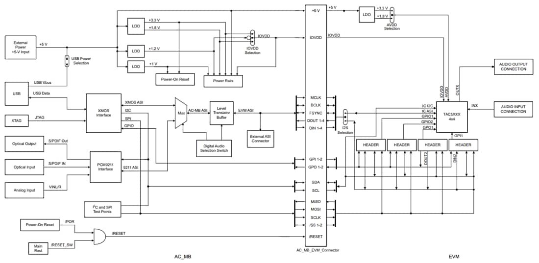
Blockdiagramm
Board-Layout
Veröffentlichungsdatum: 2024-12-16
| Aktualisiert: 2025-03-21
