Texas Instruments TCAL9538 8-Bit-I/O-Expander

Texas Instruments TCAL9538 8-Bit-I/O-Expander wurden für das zweizeilige bidirektionale I2C-Bus (oder SMBus) Zweileitungsprotokoll ausgelegt und bieten einen Betrieb von 1,08 V bis 3,6 V VCC ausgelegt. Der TCAL9538 unterstützt I2C-Taktfrequenzen von100 kHz (Standard-Modus), 400 kHz (Fast-Modus) und 1 MHz (Fast-Modus-Plus). Bei Bedarf an zusätzlichen Ein- und Ausgängen für Sensoren, Schalter, Tasten, LEDs, Lüfter und mehr bieten diese I/O-Expander eine einfache Lösung.

Der TI TCAL9538 verfügt über agile I/O-Ports mit zusätzlichen Funktionen, die die I/O-Leistung in Bezug auf Geschwindigkeit, Stromverbrauch und EMI verbessern sollen. Zu den Merkmalen gehören eine programmierbare Ausgangstreiberstärke, programmierbare Pull-Up- und Pull-Down-Widerstände, verriegelbare Eingänge, ein maskierbarer Interrupt, ein Interrupt-Statusregister und programmierbare Open-Drain- oder Push-Pull-Ausgänge.

Merkmale

  • Betriebsspannungsbereich der Stromversorgung von 1,08 V bis 3,6 V
  • Niedriger Standby-Stromverbrauch von 1 µA typisch bei 1,8 V
  • 1 MHz Fast-Modus-Plus I2C-Bus
  • Hardware-Adresspin ermöglicht zwei Bauteile auf demselben I2C, SMBus-Bus
  • Active-Low-Reset-Eingang (RESET)
  • Open-Drain-Active-Low-Interruptausgabe (INT)
  • Ein- oder Ausgangskonfigurationsregister
  • Polaritätsumkehrungsregister
  • Konfigurierbares I/O-Antriebsstärkenregister
  • Pull-Up- und Pull-Down-Widerstands-Konfigurationsregister
  • Internes Power-on-Reset
  • Rauschfilter an den SCL- oder SDA-Eingängen
  • Latch-Ausgänge mit maximaler Hochstrom-Ansteuerungsfähigkeit für die direkte Ansteuerung von LEDs
  • Latch-Up-Leistung übertrifft 100 mA gemäß JESD 78, Klasse II
  • ESD-Schutz überschreitet JESD 22
  • 4.000 V Human-Body-Modell (A114-A)
  • 1.000 V Charged-Device-Modell (C101)

Applikationen

  • Server
  • Router (Schaltanlagen in der Telekommunikation)
  • PCs
  • Persönliche Elektronik
  • Industrieautomatisierung
  • Spielkonsolen
  • Produkte mit GPIO-begrenzten Prozessoren

Vereinfachter Schaltplan

Schaltplan - Texas Instruments TCAL9538 8-Bit-I/O-Expander

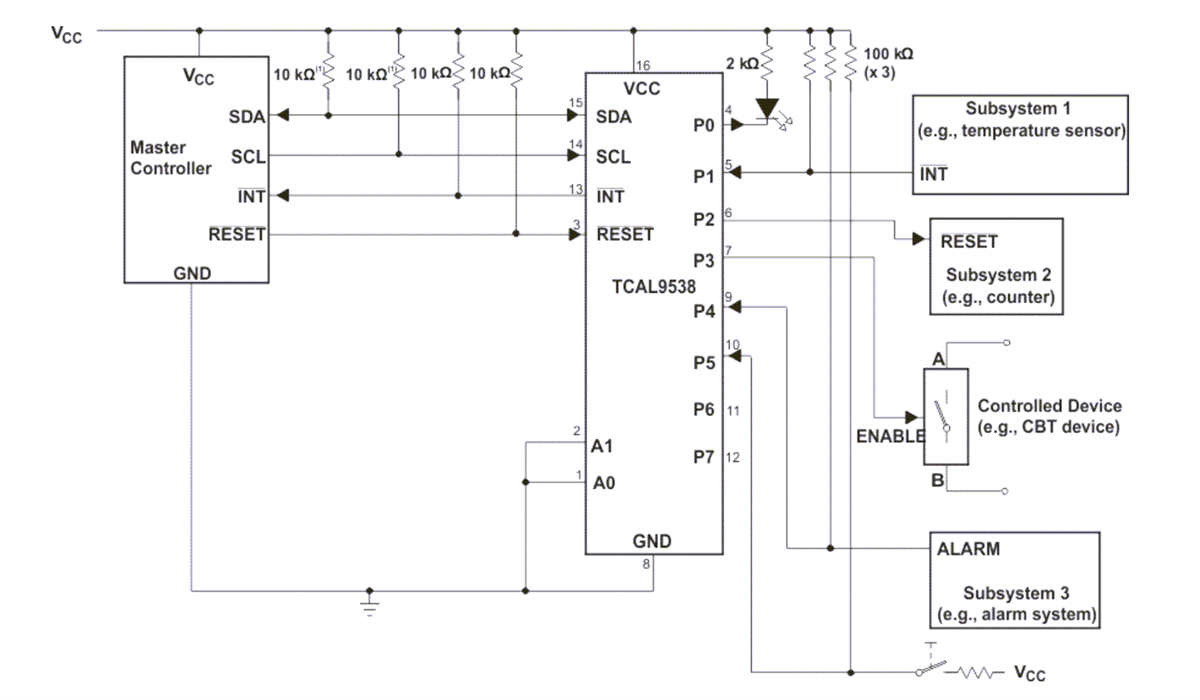
Typisches Anwendungsschema

Schaltplan - Texas Instruments TCAL9538 8-Bit-I/O-Expander

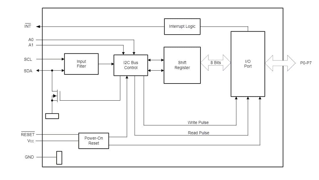
Logikschaltungs-Diagramm (positive Logikschaltung)

Blockdiagramm - Texas Instruments TCAL9538 8-Bit-I/O-Expander
Veröffentlichungsdatum: 2024-01-25 | Aktualisiert: 2024-10-30