Texas Instruments TDES960 4,16-GBit/s-V3-Link-Entserialisierer-Hub
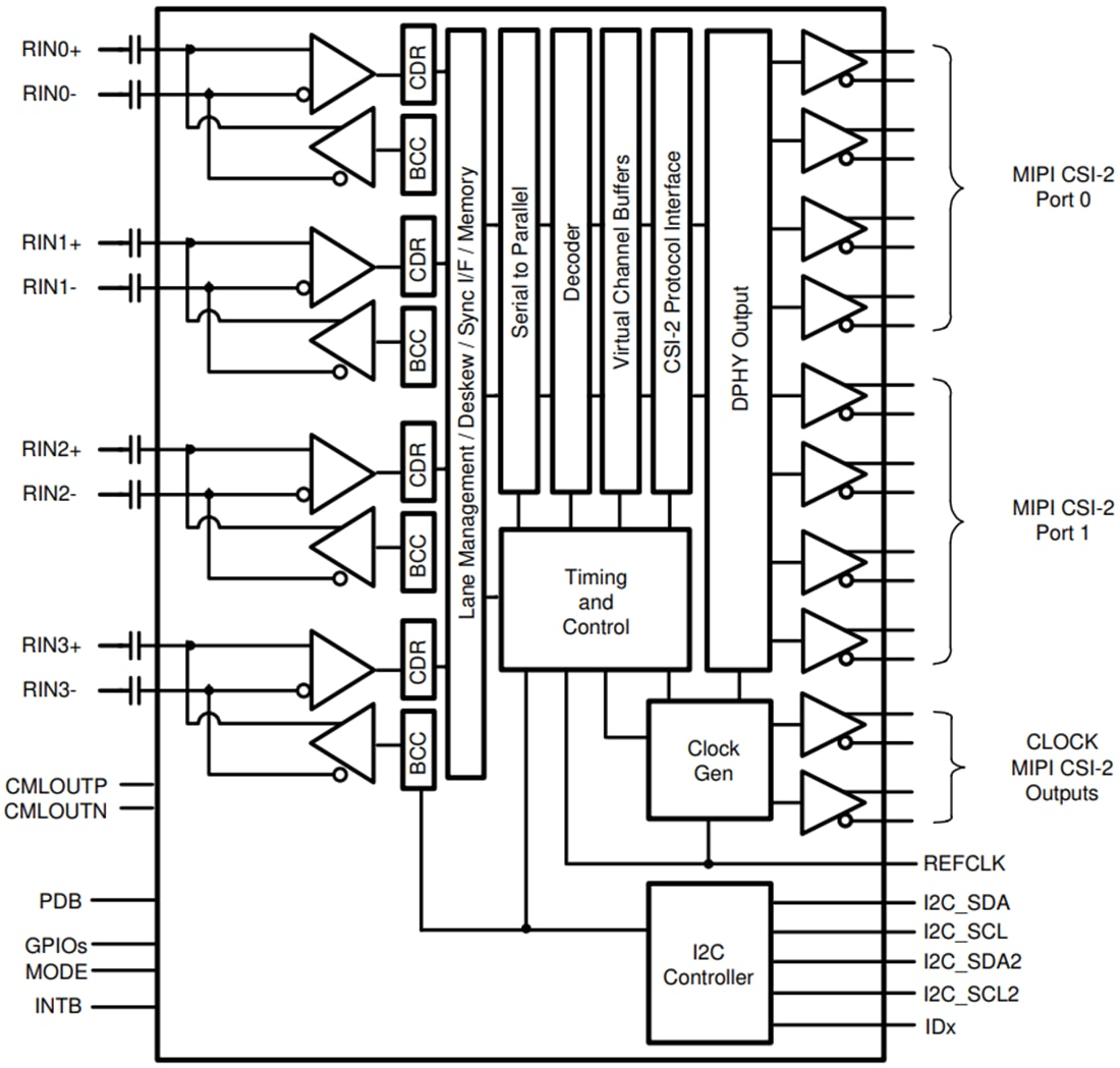
Der Texas Instruments TDES960 4,16-GBit/s-V3-Link-III-Quad-Entserialisierer-Hub ist ein vielseitiger Sensor-Hub, der Daten eines serialisierten Sensors verbinden kann, die über eine V3-Link-Schnittstelle aus vier unabhängigen Videodatenströmen empfangen werden. In Kombination mit einem TSER953 Serialisierer empfängt der TDES960 Daten von Sensoren, wie z. B. Bildumsetzern, welche die Full-HD-1080p-/2MP-Auflösung bei 60 Hz-Bildraten unterstützen. Daten werden in einem mit MIPI CSI2-konformen Ausgang für die Verbindung mit einem nachgeschalteten Prozessor empfangen und gesammelt. Ein zweiter MIPI CSI-2-Ausgangsanschluss ist verfügbar, um eine zusätzliche Bandbreite bereitzustellen oder zwecks Datenprotokollierung und paralleler Verarbeitung einen zweiten nachgebildeten Ausgang anzubieten.Der TDES960 verfügt über vier V3-Link-III-Entserialisierer, die jeweils eine Verbindung über kostengünstige einendige 50-Ω-Koaxial- oder 100-Ω-STP-Differential-Kabel ermöglichen. Der Empfangs-Equalizer passt sich automatisch an, um die Kabelverlusteigenschaften, einschließlich Verschleißerscheinungen, zu kompensieren. Alle V3-Link-Schnittstellen enthalten außerdem einen separaten bidirektionalen Steuerkanal mit niedriger Latenz, der I2C, GPIOs sowie weitere Steuerungs-Informationen überwacht. Universal-I/O-Signale wie diejenigen, die für die Kamera-Synchronisierungs- und Diagnosefunktionen erforderlich sind, nutzen diesen bidirektionalen Steuerkanal ebenfalls. Der TDES960 von Texas Instruments wird in einem kostengünstigen und platzsparenden 64-Pin-VQFN-Gehäuse angeboten.
Merkmale
- Der 4,16-GBit/s-Quad-Entserialisierer-Hub aggregiert Daten von bis zu 4 Sensoren gleichzeitig
- Unterstützt Zwei-Megapixel-Sensoren mit einer Full-HD-1080p-Auflösung bei einer Bildfrequenz von 60 Hz
- Bauteil-Temperaturbereich (-20 ℃ bis +85 ℃ Umgebungsbetriebstemperatur)
- Präzise Multi-Kamera-Synchronisierung
- MIPI DPHY Version 1.2-/CSI-2 Version 1.3-konform
- Zwei × MIPI CSI-2-Ausgangsanschlüsse
- Unterstützt 1, 2, 3, 4 Datenleitungen je CSI-2-Anschluss
- CSI-2-Datenraten skalierbar für 400 MBit/s / 800 MBit/s / 1,5 GBit/s / 1,6 GBit/s pro Datenspur
- Anschluss-Replizierungsmodus
- Ultra-niedrige Daten- und Steuerpfad-Latenz
- Unterstützt einendige Koaxialkabel, einschließlich Power-over-Coax- (PoC) oder abgeschirmte verdrillte Doppelkabel (STP)
- Adaptiver Empfangsausgleich
- Duale I2C-Anschlüsse mit Fast-Mode-Plus bis zu 1 MBit/s
- Flexible GPIOs für Sensor-Synchronisierung und -Diagnose
- Kompatibel mit TSER953 Serialisierer
- Interner programmierbarer Präzisions-Frame-Sync-Generator
- Leitungsfehlererkennung und erweiterte Diagnosefunktionen
Applikationen
- Haushaltsgeräte
- Videoüberwachung
- Aufzüge und Rolltreppen
- Industrieroboter
- Maschinelle Bildverarbeitung
- Patientenüberwachung und Diagnose
- Bildverarbeitung
Funktionales Blockdiagramm
