Texas Instruments THVD1400V Halbduplex RS-422/RS-485 Transceiver

Texas Instruments  THVD1400V Halbduplex RS-422/RS-485 Transceiver mit flexibler I/O-Versorgung und integriertem IEC-ESD-Schutz bietet 5 μA Versorgungsstrom. Dieser Transceiver verfügt über einen Anstiegsratensteuerungs-Pin (SLR), der den Transceiver in einen Modus mit maximal 20 MBit/s oder einen Modus mit begrenzter Anstiegsrate von 500kbps versetzt. Der THVD1400V Transceiver  verfügt über einen Differentialausgang von mehr als 2,1 V für Profibus-Kompatibilität mit einer 5-V-Versorgung und unterstützt Low-Level-Logikschnittstellen von 1,65 V bis 5,5 V. Dieser Transceiver wird in der Fabrikautomatisierung und -steuerung, der Gebäudeautomation, bei Motorantrieben, der Energieversorgung, im Industrie-Transport, in HLK-Systemen, intelligenten Messgeräten und in der Kommunikationsinfrastruktur eingesetzt.

Der Transceiver THVD1400V erfüllt oder übertrifft die Anforderungen des TIA/EIA-485A-Standards. Dieser Transceiver arbeitet in einem Temperaturbereich von –40 °C bis 125 °C und ist in einem 3 mm x 3 mm VSON (10-Pin) Gehäuse erhältlich.

Merkmale

  • Erfüllt oder übertrifft die Anforderungen des TIA/EIA-485A-Standards
  • Der Differenzausgang überschreitet 2,1 V für die Profibus-Kompatibilität mit einer 5-V-Versorgung
  • RS-485 Versorgungsspannungsbereich von 3 V bis 5,5 V
  • Versorgung für Logiksignalschnittstelle von 1,65 V bis 5,5 V
  • Halbduplex-RS-422/RS-485
  • Maximale Datenrate konfigurierbar
    • SLR = 500 kbps (hoch)
    • SLR = 20 Mbit/s (niedrig oder schwebend)
  • Bus-I/O-Schutz:
    • ±16kV HBM ESD
    • ±12 kV IEC 61000-4-2 Kontaktentladung
    • ±12 kV IEC 61000-4-2 Luftspaltentladung
    • ±4 V IEC 61000-4-4 schneller transienter Burst
    • ±16 V Busfehlerschutz (absolute maximale Spannung an den Buspins)
  • Energieeffizient:
    • 5 μA Shutdown-Versorgungsstrom
    • <3 mA Ruhestrom im Betrieb
  • Störungsfreies Ein- und Ausschalten für Hot-Plug-in-Fähigkeit
  • Ausfallsicher für offene, Kurzschluss- und Leerlauf-Bedingungen
  • 1/8 Einheitslast (bis zu 256 Busknoten)
  • Kleines, thermisch effizientes 10-Pin-VSON-Gehäuse (3 mm x 3 mm)

Applikationen

  • Fabrikautomatisierung und -steuerung
  • Leistungsabgabe
  • Industrie-Transportsysteme
  • Gebäudeautomatisierung
  • HVAC-Systeme
  • Motorantriebe
  • Intelligente Stromzähler
  • Kommunikationsinfrastruktur

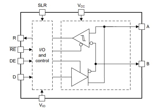
Vereinfachtes Anwendungsschaltbild

Applikations-Schaltungsdiagramm - Texas Instruments THVD1400V Halbduplex RS-422/RS-485 Transceiver
Veröffentlichungsdatum: 2024-01-12 | Aktualisiert: 2024-01-24