Texas Instruments TL07xx Rauscharme FET-Eingangs-Operationsverstärker
Texas Instruments TL07xx FET-Eingangs-Operationsverstärker bieten ein hervorragendes Preis-Leistungsverhältnis für kostenempfindliche Applikationen. Sie sind in den Versionen Single (TL071x), Dual (TL072x) oder Quad (TL074x) erhältlich. Jedes Bauteil verfügt über Funktionen wie einen niedrigen Offset (1 mV typ.), eine hohe Anstiegsgeschwindigkeit (20 V/μs) und einen Gleichtakteingang zur positiven Versorgung. Aufgrund ihrer hohen ESD (1,5 kV, HBM), der integrierten EMI- und HF-Filter und des Betriebs über den vollen Temperaturbereich von –40 °C bis 125 °C können die TL07xH-Bauteile von Texas Instruments in den robustesten und anspruchsvollsten Anwendungen eingesetzt werden. Die Bauteile mit Suffix C sind für den Betrieb von 0 °C bis 70 °C ausgelegt. Die Bauteile mit Suffix I sind für den Betrieb von −40 °C bis +85 °C ausgelegt. Die Bauteile mit Suffix M sind für den Betrieb im gesamten militärischen Temperaturbereich von −55 °C bis +125 °C ausgelegt.Merkmale
- Hohe Anstiegsrate: 20 V/μs (TL07xH, typisch)
- Niedrige Offsetspannung: 1 mV (TL07xH, typisch)
- Niedrige Offsetspannungsdrift: 2 μV/°C
- Geringer Stromverbrauch: 940 μA/Kanal (TL07xH, typisch)
- Große Gleichtakt- und Differential-Spannungsbereiche
- Der Gleichtakt-Eingangsspannungsbereich umfasst VCC+
- Niedrige Eingangs-Bias- und Offset-Ströme
- Rauscharm
- Vn = 18 nV/√Hz (typisch) bei f = 1 kHz
- Ausgangskurzschluss-Sicherung
- Niedriger Klirrfaktor von 0,003 % (typisch)
- Großer Versorgungsspannungsbereich
- ±2,25 V bis ±20 V, 4,5 V bis 40 V
Applikationen
- Solarenergie (String- und Zentral-Wechselrichter)
- Motorantriebe (AC- und Servoantriebssteuerungs- und Leistungsstufen-Module)
- Einphasen-Online-USV
- Dreiphasen-USV
- Pro-Audio-Mischer
- Batterieprüfgeräte
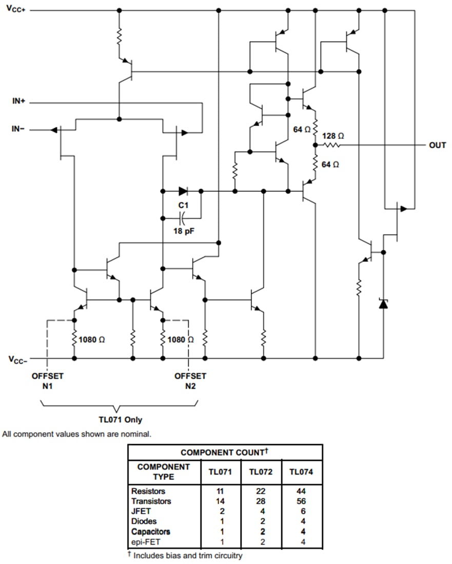
Funktionales Blockdiagramm
Veröffentlichungsdatum: 2021-01-06
| Aktualisiert: 2025-04-28
