Texas Instruments TL4051 Mikropower Shunt Spannungsreferenzen

Die TL4051 Micropower Shunt-Spannungsreferenzen von Texas Instruments sind anpassbare, einfach zu bedienende Bauteile, die sich für eine Vielzahl von Anwendungen eignen. Der TL4051 wird mit einem festen Ausgang von 1,225 V oder einem einstellbaren Ausgang angeboten, bei dem die Spannung durch einen externen Widerstandsteiler ausgewählt wird. Das Gerät benötigt keine externen Kondensatoren und ist bei allen kapazitiven Lasten stabil. Darüber hinaus weisen die Referenzen niedrige dynamische Impedanz-, Rausch- und Temperaturkoeffizienten auf, um eine stabile Ausgangsspannung über einen weiten Betriebsstrom- und Temperaturbereich zu gewährleisten.

TI TL4051 ist in drei Anfangstoleranzen erhältlich, von 0,1 % (max) für die A-Klasse bis 0,5 % (max) für die C-Klasse. Diese Funktionen ermöglichen es den Entwicklern, das beste Preis-Leistungs-Verhältnis für ihre Anwendungen zu wählen.

Die Referenzen TL4051 sind in den platzsparenden Gehäusen SOT-23-3 und SC-70 untergebracht und benötigen einen Mindeststrom von 45 µA (typ.). Das TL4051xI ist für den Betrieb über einen Umgebungstemperaturbereich von -40 °C bis 85 °C gekennzeichnet, während das TL4051xQ für den Betrieb über einen Umgebungstemperaturbereich von -40 °C bis 125 °C gekennzeichnet ist.

Merkmale

  • 1,225 V Feste und einstellbare (1,225 V bis 10 V) Ausgänge
  • 20µVRMS (typ.) geringes Ausgangsrauschen
  • Enge Leistungstoleranzen und niedriger Temperaturkoeffizient
    • Max 0,1 % 50 ppm/°C - Klasse A
    • Max 0,2 % 50 ppm/°C - Klasse B
    • Max 0,5 % 50 ppm/°C - Klasse C
  • 60 µA (typ.) bis 12 mA weiter Betriebsstrombereich
  • Stabil bei allen kapazitiven Lasten; kein Ausgangskondensator erforderlich
  • Erhältlich in
    • -40 °C bis 85 °C industriellem Temperaturbereich
    • -40 °C bis 125 °C (erweiterter Temperaturbereich)

Applikationen

  • Datenerfassungssysteme
  • Stromversorgungen und Stromversorgungsmonitore
  • Instrumentierung und Testgeräte
  • Prozesssteuerung
  • Präzisions-Audio
  • Kfz-Elektronik
  • Energiemanagement/Messung
  • Batteriebetriebene Bauteile

Pinout/Gehäusetyp

Schaltungsanordnung - Texas Instruments TL4051 Mikropower Shunt Spannungsreferenzen

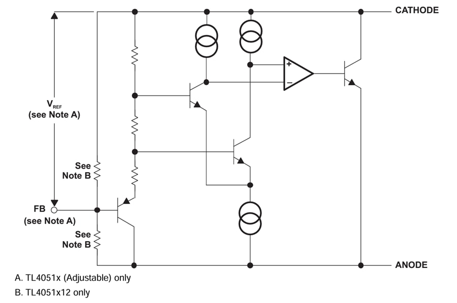
FUNKTIONALES BLOCKDIAGRAMM

Blockdiagramm - Texas Instruments TL4051 Mikropower Shunt Spannungsreferenzen
Veröffentlichungsdatum: 2025-01-20 | Aktualisiert: 2025-01-26