Texas Instruments Konstantstrom-Senkentreiber TLC696x1/TLC696x1-Q1

Die TLC696x1/TLC696x1-Q1 16-Kanal-Konstantstrom-Senkentreiber von Texas Instruments integrieren 16 Konstantstromsenken mit SRAM für die Helligkeitsspeicherung. Das Bauteil wird über eine serielle Zweidraht-Schnittstelle in Daisy-Chain-Topologie angeschlossen und unterstützt bis zu 1024 Bauteile für 16.000 lokale Dimmzonen.

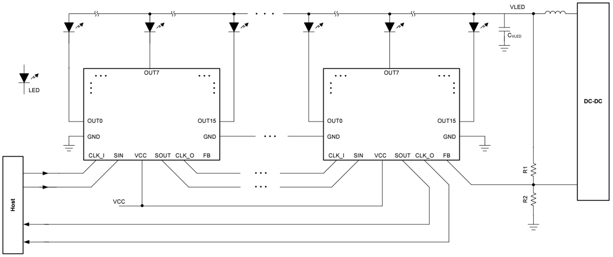
Das Bauteil verfügt über ein adaptives Spannungssteuerungsschema zur direkten Steuerung von DC/DC und zur Optimierung der Systemeffizienz. Nur der FB-Pin des letzten Bauteils in einer seriellen Kette sollte mit DC/DC verbunden werden, um ein vereinfachtes Systemlayout zu ermöglichen. Darüber hinaus enthält das Bauteil eine minimale Aktualisierungslatenz der Helligkeit, einen Schwarzeinsatz und VRR-Funktionen zur Verbesserung der Anzeigequalität.

Der TLC696x1/TLC696x1-Q1 von Texas Instruments hat drei Fehler-Flags: Offene LED-Erkennung (LOD), LED-Kurzschlusserkennung (LSD) und thermische Abschaltungserkennung (TSD) für die Diagnose. Das Bauteil implementiert zwei Readback-Optionen, einschließlich UART/INT und SOUT/CLK_O, die über ein Register programmierbar sind. Die TLC696x1-Q1-Bauteile sind für Fahrzeuganwendungen AEC-Q100-qualifiziert.

Merkmale

  • Betriebsspannungs-VCC -Bereich: 3 V bis 5,5 V
  • 16 Konstantstromsenken mit hoher Präzision
    • Maximaler Ausgangsstrom/Spannung
      • 30 mA/20 V: TLC69601/TLC69601-Q1
      • 60 mA/20 V: TLC69611/TLC69611-Q1
      • 30 mA/50 V: TLC69651/TLC69651-Q1
      • 60 mA/50 V: TLC69661/TLC69661-Q1
    • Bauteil-zu-Bauteil-Fehler: ±2 % (typisch)
    • Kanal-zu-Kanal-Fehler: ±2 % (typisch)
  • Flexible Verdunkelungssteuerung
    • Globale 8-bit-Maximalstromeinstellung (MC)
    • Helligkeitsauflösung von bis zu 15 Bit
    • PWM-/Hybrid-Steuermodus
  • Hochgeschwindigkeits-Daisy-Chain-Schnittstelle
    • I/O-Spannung kompatibel mit 1,8 V/3,3 V
    • Datenübertragungsrate von bis zu 20 MHz
  • Hoher Systemwirkungsgrad
    • Adaptive Spannungsreserven-Steuerung (AHVC)
    • Bauteil mit besonders geringem Stromverbrauch
      • ICC ≤ 200 uA im Standby-Modus
      • ICC ≤ 3,5 mA im Normal-Modus
  • EMI-Verbesserung
    • Programmierbare Schnittstellen-Antriebsfähigkeit
    • Integrierte vier Phasenverschiebungssysteme
  • Verbesserung der Anzeigequalität
    • Minimale Latenzzeit für die Aktualisierung der Helligkeit
    • Programmierbare Schwarzeinblendung
    • Variable Bildwiederholrate (VRR) ohne Flimmern
  • Diagnosefunktionen
    • LED-Unterbrechungs-/Kurzschlusserkennung für jede Zone
    • Erkennung der thermischen Abschaltung des Geräts
    • Berichtsschnittstellenoption
      • UART und Interrupt-Pin (INT)
      • Zweidraht-Ausgang: CLK_O und SOUT

Applikationen

  • Lokale LCD-Verdunkelungs-Hintergrundbeleuchtung
    • Fernseher
    • Bildschirm
    • Notebook
    • Tablet

Vereinfachtes Schaltschema

Schaltplan - Texas Instruments Konstantstrom-Senkentreiber TLC696x1/TLC696x1-Q1
Veröffentlichungsdatum: 2023-06-06 | Aktualisiert: 2024-06-21