Texas Instruments TLC6984 48x16 Matrix LED Display Treiber
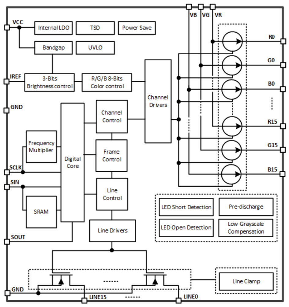
Der 48x16 Matrix-LED-Anzeigetreiber TLC6984 von Texas Instruments ist ein hochintegrierter LED-Anzeigetreiber mit gemeinsamer Kathode und 48 Konstantstromquellen sowie 16 Abtast-FETs. Neben der Ansteuerung von 16 × 16 und 32 × 32 RGB-LED-Pixeln wie beim TLC6983 können drei TLC6984 48 × 48 RGB-LED-Pixel ansteuern, und durch Stapeln von vier TLC6984 lassen sich 64 × 64 RGB-LED-Pixel ansteuern. Das Bauteil unterstützt getrennte Stromversorgungen für die roten, grünen und blauen LEDs durch seine gemeinsame Kathodenstruktur, um einen niedrigen Stromverbrauch zu erreichen. Darüber hinaus wird die Betriebsleistung des TLC6984 durch den extrem niedrigen Betriebsspannungsbereich (VCC bis zu 2,5 V) und den extrem niedrigen Betriebsstrom (ICC bis zu 3,6 mA) erheblich reduziert.Der TLC6984 von Texas Instruments implementiert eine Hochgeschwindigkeits-Dual-Edge-Übertragungsschnittstelle zur Unterstützung einer hohen Anzahl an verketteten Bauteilen und einer hohen Aktualisierungsrate bei gleichzeitiger Reduzierung von elektrischen magnetischen Störungen (EMI). Das Bauteil unterstützt bis zu 25 MHz SCLK (extern) und 40 MHz bis 160 MHz GCLK (intern, typische Werte) mit verschiedenen GCLK-Multiplikator-Modi und -Frequenzen. Währenddessen integriert das Bauteil verbesserte Schaltungen und intelligente Algorithmen, um die verschiedenen Display-Herausforderungen in LED-Display-Applikationen mit engem Pixel-Rastermaß (Narrow Pixel Pitch, NPP) und Mini- und Mikro-LED-Produkten zu bewältigen. Zu diesen Herausforderungen gehören Dimmen in der ersten Scanlinie, Ghosting oben und unten, Ungleichmäßigkeit bei niedrigen Graustufen, Kopplung und Caterpillar, die durch offene oder kurze LEDs verursacht werden, was den TLC6984 zu einer perfekten Wahl für solche Anwendungen macht.
Darüber hinaus enthält der TLC6984 Erkennungs- und Entfernungsfunktionen für offene LEDs/schwache Kurzschlüsse/Kurzschlüsse und kann außerdem diese Informationen an den dazugehörigen Digitalprozessor melden.
Merkmale
- Getrennte VCC- und VR/G/B-Stromversorgung
- Spannungsbereich: 2,5 V bis 5,5 VCC
- Spannungsbereich: 2,5 V bis 5,5 V VR/G/B
- 48 Stromquellenkanäle von 0,2 mA bis 20 mA
- Kanal-zu-Kanal-Genauigkeit: ±0,5 % (typisch), ±2 % (max.); Bauteil-zu-Bauteil-Genauigkeit: ±0,5 % (typisch), ±2 % (max.)
- Niedrige Kniepunktspannung (0,26 V (max.) wenn IOUT = 5 mA)
- Globale 3-Bit-Helligkeitssteuerung (8 Schritte)
- 8-Bit-Farbhelligkeitssteuerung (256 Schritte)
- Maximale PWM-Graustufen-Steuerung von 16 Bit (65536 Schritte)
- 16 Scan-Leitungsschalter mit 190 mΩ RDS(ON)
- Extrem geringer Stromverbrauch
- Unabhängige VCC bis hinunter zu 2,5 V
- Niedrigster ICC bis zu 3,6 mA mit 50 MHz GCLK
- Intelligenter Stromsparmodus mit ICC bis zu 0,9 mA
- Eingebautes SRAM zur Unterstützung von 1-64 Multiplexing
- Ein einzelnes Bauteil mit 16-Multiplexing zur Unterstützung von 48 × 16 LEDs oder 16 × 16 RGB-Pixeln
- Dual-Bauteile stapelbar mit 32-Multiplexing zur Unterstützung von 96 × 32 LEDs oder 32 × 32 RGB-Pixeln
- Drei Bauteile stapelbar mit 48 Multiplexing zur Unterstützung von 144 × 48 LEDs oder 48 × 48 RGB-Pixeln
- Vier Bauteile stapelbar mit 64 Multiplexing zur Unterstützung von 192 × 64 LEDs oder 64 × 64 RGB-Pixeln
- CCSI (Continuous Clock Series Interface) mit Hochgeschwindigkeit und niedriger EMI
- Nur drei Drähte: SCLK / SIN / SOUT
- Externe 25 MHz (max.) SCLK mit Dual-Edge-Übertragungsmechanismus (intern 50 MHz)
- Interner Frequenzmultiplikator zur Unterstützung einer hohen GCLK-Frequenz
- Optimierte Anzeigeleistung
- Programmierbare Abtastzeilenfolge
- Entfernen von Ghosting auf der Ober- und Unterseite
- Verbesserung der niedrigen Graustufen
- Erkennung und Beseitigung von offenen, kurzen und schwach kurzen LEDs
Applikationen
- LED-Display mit engem Pixel-Rastermaß (Narrow Pixel Pitch, NPP)
- Mini- und Mikro-LED-Produkte
Funktionales Blockdiagramm
