Texas Instruments TLIN1431x-Q1 Automotive-LIN-SBCs
Der TLIN1431x-Q1 Automotive LIN SBC von Texas Instruments ist ein LIN (Local Interconnect Network)-Systembasischip (SBC), der einen Watchdog, einen High-Side-Schalter, eine Limp-Home-Fähigkeit und einen hochkonfigurierbaren WAKE-Eingangspin enthält. Der TLIN1431x-Q1 bestimmt die Steuerungsmethode, Pin oder serielle Peripherieschnittstelle (SPI), beim Einschalten selbst. Der Watchdog ist standardmäßig ein Fenster-Watchdog für beide Kontrollmethoden. Für mehr Flexibilität kann der TI TLIN1431x-Q1 als Fenster- oder Timeout-Watchdog mit mehr als 20 verschiedenen Zeitfenstern konfiguriert werden, wenn die SPI-Steuerung verwendet wird. Der LIN-Transceiver bietet einen 200kbps-Schnellmodus für die End-of-Line-Programmierung. Ein High-Side-Schalter mit Diagnosefunktion ist für die Onboard-LED enthalten. Der hochgradig konfigurierbare WAKE-Pin kann zusammen mit dem High-Side-Schalter für die zyklische Abtastung verwendet werden, wodurch der Ruhestrom des Steuergeräts gesenkt wird. Der WKRQ/INH-Pin kann als digitaler Wake-Ausgang (WKRQ) oder als VSUP-basierter Inhibit-Pin (INH) für eine externe Versorgung konfiguriert werden.Merkmale
- AEC-Q100 (Klasse 1): qualifiziert für Fahrzeuganwendungen
- Fähig für die funktionale Sicherheit
- Dokumentation zur Unterstützung des Designs von funktionalen Sicherheitssystemen ist verfügbar
- Verbesserte Funktionen, die 12-V-Applikationen unterstützen
- LIN-Bus-Fehlerschutz von ±58 V
- 3,3 V (TLIN14313-Q1) oder 5 V (TLIN14315-Q1) LDO-Ausgang, der 125 mA von einer 12-V-Versorgung unterstützt
- High-Side-Schalter mit Leerlauf- und Kurzschlusserkennung, gesteuert durch 10-Bit-PWM oder Timer.
- LIMP-Pin konfigurierbar als High-Side-Schalter
- Konfigurierbarer WAKE-Pin, der verschiedene Eingangsschwellen oder Methoden unterstützt
- Der Schlafmodus mit extrem niedrigem Stromverbrauch ermöglicht Aktivierungsereignisse von:
- LIN-Bus
- Lokale Aktivierung durch AKTIVIERUNG
- Zyklische und statische Erkennung
- Local Interconnect Network (LIN) Spezifikation der physikalischen Schicht LIN 2.2A, ISO 17987-4:2016 und SAE J2602:2021 konform
- Integrierter Watchdog-Supervisor, konfigurierbar über Pin oder serielle Peripherieschnittstelle, SPI
- Schutzfunktionen:
- ESD-Schutz
- Unterspannungsschutz für VSUP und VCC
- TXD-dominanter Timeout-Schutz (DTO)
- Übertemperaturschutz
- Integrierte Batteriespannungsüberwachung
- Verfügbar in einem unbedrahteten QFN-Gehäuse (20) mit verbesserter automatischer optischer Inspektionsfunktion (AOI)
Applikationen
- Karosserieelektronik und Beleuchtung
- Hybrid-, Elektro- und Antriebsstrangsysteme
- Infotainment- und Kombi-Systeme
- Haushaltsgeräte
SPI-Steuerung Vereinfachtes Schaltplan
Pin-Steuerung Vereinfachtes Schaltplan
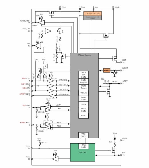
Hochrangiges Blockdiagramm
Veröffentlichungsdatum: 2023-01-20
| Aktualisiert: 2023-03-17
