Texas Instruments TLV770 Low-Dropout (LDO)-Linearregler
Die Low-Dropout (LDO)-Linearregler TLV770 von Texas Instruments sind zur Bereitstellung einer Spannungsquelle mit einer hohen PSRR von 55 dB (1 MHz) ausgelegt. Diese Regler bieten ein Last- und Netzübergangsverhalten, das den Anforderungen verschiedener Schaltungen entspricht. Die TLV770 LDO-Regler bieten einen Ausgangsspannungsbereich von 0,6 V bis 3,3 V und eine Genauigkeit der Ausgangsspannung von 2 %. Diese Regler verfügen über eine interne Soft-Start-Schaltung, um einen übermäßigen Einschaltstrom zu vermeiden und den Eingangsspannungsabfall beim Start zu reduzieren. Die LDO-Regler TLV770 arbeiten in einem Temperaturbereich von −40 °C bis 125 °C und einem Spannungsbereich von 1,4 V bis 5,5 V. Diese LDO-Regler werden in Smartphones, Tablets, Set-Top-Boxen, Spielkonsolen, Kameramodule und Streaming-Media-Playern verwendet.Merkmale
- Hohe PSRR von 55 dB (1 MHz)
- 1,4 V bis 5,5 V Eingangsspannungsbereich
- 0,6 V bis 3,3 V fester Ausgangsspannungsbereich
- 2 % Ausgangsspannungsgenauigkeit
- -40 °C bis 125 °C Betriebstemperaturbereich
- NiedrigeDropout-Spannung von 45 mV bei 50 mA (3,3 VOUT)
- Aktiver Ausgangs-Pulldown-Widerstand
Applikationen
- Smartphones
- Notebooks
- Tablet-PCs
- Spielkonsolen
- Streaming-Mediaplayer
- Set-Top-Boxen
- Kameramodule
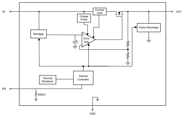
Funktionales Blockdiagramm
Applikations-Schaltungs-Diagramm
Veröffentlichungsdatum: 2024-07-19
| Aktualisiert: 2025-01-20
