Texas Instruments TMP411 Lokale und Ferntemperatursensoren
Lokale und Ferntemperatursensoren TMP411 von Texas Instruments sind hochpräzise Ferntemperatursensormonitore mit niedrigem Stromverbrauch und einem eingebauten lokalen Temperatursensor. Bei den über Dioden angeschlossenen Transistoren/ Ferntemperatursensoren handelt es sich typischerweise um kostengünstige, diskrete NPN- oder PNP-Transistoren oder Dioden, die integrale Teile von Mikroprozessoren, Mikrocontrollern oder FPGAs sind. Die Ferngenauigkeit beträgt ±1 °C für mehrere Gerätehersteller ohne Kalibrierung. Die zweiadrige serielle Schnittstelle unterstützt SMBus-Schreib-Byte-, Lese-Byte-, Sende-Byte- und Empfangs-Byte-Befehle, um die Alarmschwellenwerte zu programmieren und die Temperaturdaten zu lesen.Merkmale
- ±1 °C Ferndiodensensor
- ±1 °C Lokaler Temperatursensor
- Programmierbarer Unvollkommenheitsfaktor
- Reihenwiderstandsaufhebung
- Alarmfunktion
- Offset-Register zur Systemkalibrierung
- Es ist mit den Bauteilen ADM1032 und ADT7461 Pin- und Register-kompatibel.
- Programmierbare Auflösung von 9-Bit bis 12-Bit
- Programmierbare Grenzwerte
- Serielle Two-Wire- und SMBus™-Schnittstelle
- Minimal- und Maximaltemperaturüberwachung
- Mehrfache Schnittstellenadressen
- ALARM- und THERM2-Pinbelegung
- Dioden-Fehlermeldung
Applikationen
- LCD- und DLP- und LCOS-Projektoren
- Server
- Industrielle Steuerungen
- Zentrale Telekom-Büroausstattung
- Desktop- und Notebook-Computer
- Speichernetzwerke (SAN)
- Gewerbliche und medizinische Ausstattung
- Prozessor- und FPGA-Temperaturüberwachung
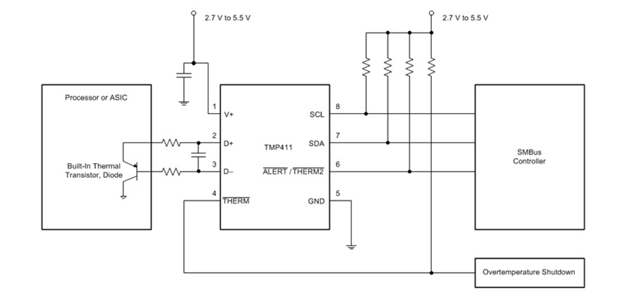
TMP411 Funktionsdiagramm
Veröffentlichungsdatum: 2017-07-31
| Aktualisiert: 2026-01-14
