Texas Instruments TMUX1072 2:1-Zweikanal-Analog-Multiplexer
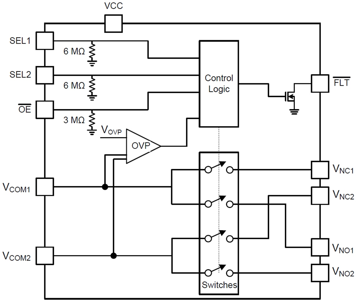
Der Texas Instruments TMUX1072 2:1-Zweikanal-Analog-Multiplexer ist mit einer integrierten Überspannungserkennung und einem Ausschaltschutz ausgestattet. Das Bauteil ist bidirektional und dient als 2:1- oder 1:2-Schalter und unterstützt gleichzeitig Signale über VCC bis zu 5,5 V. Die Schutzfunktion auf den I/O-Pins des TMUX1072 verträgt ein Maximum von 18 V mit einer automatischen Abschaltfunktion zur Vermeidung von Schäden an Systemkomponenten hinter dem Schalter. Diese Schutzfunktion wird für die Stromsequenzierung verwendet. Einige Boards im System können eingeschaltet werden, bevor andere bereits sind, Signale zu empfangen. Das Bauteil erkennt Überspannungs- und Übertemperaturereignisse und bietet ein Open-Drain-Ausgangssignal über den FLT-Pin.Merkmale
- Versorgungsbereich 2,3 V bis 5,5 V
- Ausschaltschutz: I/O-Pins Hi-Z wenn VCC = 0 V
- Überspannungs- und Übertemperaturerkennung
- 0 V bis 18 V Überspannungsschutz (OVP) auf gemeinsamen Pins
- Unterstützt Signale über VCC hinaus und bis zu 5,5 V
- Niedriger RON von 6 Ω
- BW von 1,2 GHz, typisch
- CON von 4,5 pF typisch
- Stromsparender Deaktivierungsmodus
- 1,8V-kompatible Logik-Eingänge
- ESD-Schutz überschreitet JESD22
- 2.000 V Human Body Model (HBM)
- Kleine QFN-Gehäuse von 2,00 mm x 1,70 mm verfügbar
Applikationen
- Datenerfassung (DAQ)
- Feldinstrumentierung
- Videoüberwachung
- HLK-Systeme
- Rückfahrkamera
Funktionales Blockdiagramm
Veröffentlichungsdatum: 2018-08-29
| Aktualisiert: 2023-04-25
