Texas Instruments TPA3136AD2 10-W-Stereo-Audioverstärker der Klasse D
Texas Instruments TPA3136AD2 10-W-Stereo-Audioverstärker der Klasse D sind zur Ansteuerung von Stereo-Bridge-Tied-Lautsprechern von bis zu 10 W, 6 Ω oder 8 Ω pro Kanal ausgelegt. Die hochentwickelte EMI-Unterdrückung mit Frequenzspeizungs-Steuerung ermöglicht die Verwendung kostengünstiger Ferritperlenfilter an den Ausgängen zur Senkung der Systemkosten bei gleichzeitiger Erfüllung der EMC-Anforderungen. Die SpeakerGuard™ Lautsprecherschutz-Schaltung verfügt über einen Leistungsbegrenzer und eine DC-Erkennungsschaltung zum Schutz der angeschlossenen Lautsprecher. Das Bauteil ist vollständig gegen Kurzschlüsse und Überlastung geschützt. Die DC-Erkennungs- und Pin-zu-Pin-, Pin-zu-Masse- und Pin-zu-Leistung-Kurzschluss-Schutzschaltung schützt die Lautsprecher vor Ausgangs-DC- und Pin-Kurzschlüssen, die während der Produktion ausgelöst werden. Außerdem sind die Ausgänge des Bauelements vollständig gegen Kurzschlüsse zu GND, PVCC und Ausgang-zu-Ausgang geschützt. Die automatische Wiederherstellungsfunktion enthält eine Kurzschluss-Sicherung und einen thermischen Schutz.Merkmale
- 2 x 10 W/Kanal zu 6Ω-Lasten bei 10 % THD+N von einer 12-V-Versorgung
- 2 x 10 W/Kanal zu 8Ω-Lasten bei 10 % THD+N von einer 13-V-Versorgung
- Betrieb der Klasse D (8 Ω) mit einem Wirkungsgrad von bis zu 90 %, eliminiert die Notwendigkeit eines Kühlkörpers
- <0,05 % THD+N bei 1 W/4 Ω/1 kHz
- Der große Versorgungsspannungsbereich ermöglicht den Betrieb von 4,5 V (8,0 V für TPA3136AD2) bis 14,4 V
- Induktivitäts-freier Betrieb
- Verbesserte EMI-Leistung mit Frequenzspreizung
- SpeakerGuard™ Lautsprecherschutz enthält einen Leistungsbegrenzer und DC-Schutz
- Robuster Pin-zu-Pin-, Pin-zu-Masse- und Pin-zu-Leistung-Kurzschlussschutz und thermischer Schutz
- Feste Gain von 26 dB
- Einendige oder differentielle analoge Eingänge
- Hochfahren ohne Knack- und Klick-Geräusche
Applikationen
- Fernsehgeräte
- Bluetooth- und drahtlose Lautsprecher
- Miniatur-Lautsprecher
- USB-Lautsprecher
- Verbraucher-Audiogeräte
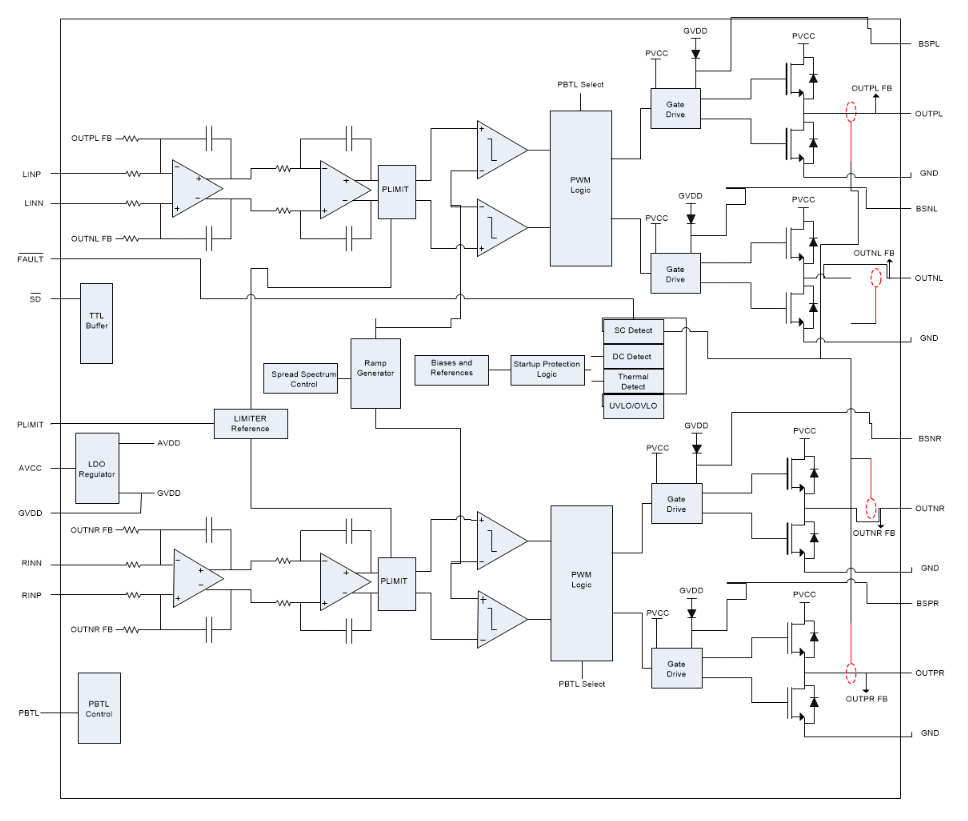
Blockdiagramm
Veröffentlichungsdatum: 2017-11-03
| Aktualisiert: 2022-07-11
