Texas Instruments TPD3S713x-Q1 USB 2.0 Schnittstellen-Schutz-IC

Der Texas Instruments TPD3S713x-Q1 Schutz-IC mit USB-2.0-Schnittstelle ist eine Einzelchip-Lösung für Kurzschluss-zu-Batterie- und Kurzschluss-Sicherung sowie ESD-Schutz. Diese Bauteile sind für Hochgeschwindigkeits-Daten- und Stromleitungen in Automotive-USB-Hub-, Haupteinheits-, Telematik- und Medienschnittstellen-Applikationen ausgelegt. Die integrierten Datenschalter bieten eine erstklassige Bandbreite für eine minimale Signalverschlechterung während USB-Kurzschluss-zu-Batterie-Ereignissen. Die hohe Bandbreite des 1,2 GHz ermöglicht ein sauberes USB 2,0 Hochgeschwindigkeits-480 Mbps-Augendiagramm mit den langen unverlierbaren Kabeln, die in der Automotive-USB-Umgebung üblich sind.

Der Kurzschluss-zu-Batterie-Schutz isoliert die internen Systemschaltungen von Überspannungsbedingungen an den VBUS -, DP _ IN- und DM _ IN-Pins. An diesen Pins kann der TPD3S713x-Q1 von Texas Instruments Überspannungen von bis zu 18 V für Hot-Plug- und DC-Ereignisse verarbeiten und die internen Schalter zum vorgeschalteten Transceiver vor schädlichen Spannungs- und Stromspitzen abschalten. Darüber hinaus bietet der VBUS -Pin einen einstellbaren strombegrenzenden Lastschalter von 50 mA bis 600 mA, der Flexibilität bietet und das Systemleistungsbudget spart, wenn der Anschluss nur mehrere zehn Milliampere benötigt.

Das TPD3S713-Q1 Bauteil verfügt über einen Strommessausgang, der eine vorgeschaltete Versorgung steuern kann, wodurch der 5 V am Remote-USB-Anschluss, der nach langen USB-Kabeln verbunden ist, aufrechterhalten werden kann.

Merkmale

  • AEC-Q100-qualifiziert für Fahrzeuganwendungen
    • Bauteiltemperatur Klasse 1 (-40 °C bis +125 °C Umgebungsbetriebstemperaturbereich)
    • HBM-ESD-Bauteilklassifikation Stufe H2
    • CDM-ESD-Bauteilklassifikation Stufe C5
  • Kurzschluss-zu-Batterie- (bis zu 18 V) und Kurzschluss-zu-Masse-Schutz auf dem VBUS -Pin
  • Kurzschluss-zu-Batterie- (bis zu 18 V) und Kurzschluss-zu-VBUS -Schutz auf DM _ IN-, DP _ IN-Pins
  • DP_IN und DM_IN IEC 61000-4-2 eingestuft
    • ±8 kV Kontakt- und ±15 kV Luftentladung
  • Hochgeschwindigkeits-Datenschalter (1.230 MHz BW)
  • Eingangsbetriebsbereich: 4,5 V bis 5,5 V
  • Einstellbare Strombegrenzung: 50 mA bis 600 mA (±13,5 % bei 200 mA)
  • Integrierter 73-mΩ-High-Side-MOSFET (typisch)
  • Maximaler Dauerausgangsstrom von 500 mA
  • VBUS -Kabelkompensation
  • 20-Pin-QFN-Gehäuse (3 mm × 4 mm)

Applikationen

  • Automotive-USB-Schnittstelle
    • Haupteinheit
    • Telematik
    • Navigationsmodul
  • Automotive-USB-Ladeanschlüsse
    • Medienschnittstelle

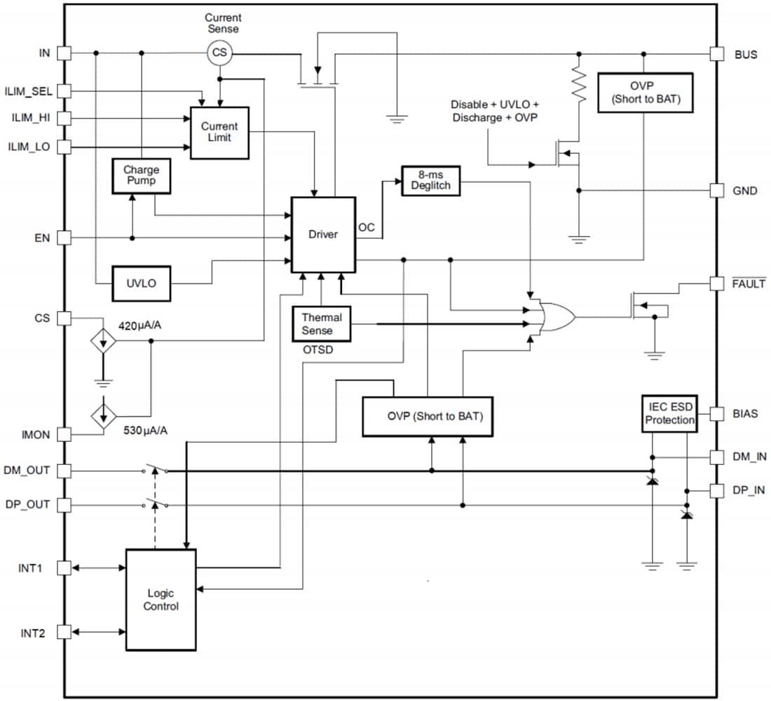
Funktionales Blockdiagramm

Blockdiagramm - Texas Instruments TPD3S713x-Q1 USB 2.0 Schnittstellen-Schutz-IC
Veröffentlichungsdatum: 2020-08-12 | Aktualisiert: 2025-03-05