Texas Instruments TPD4E001 ESD-Schutzarrays

Texas Instruments TPD4E001 ESD-Schutzarrays sind auf dem Transientenspannungs-Entstörelement (TVS) basierende Vierkanal-Diodenarrays für den elektrostatischen Entladungsschutz (ESD). Das TPD4E001 verfügt über eine Einstufung, um ESD-Entladungen über dem in der internationalen Norm IEC61000-4-2 (Stufe 4) angegebenen Höchstwert abzuleiten. Die TPD4E001 Arrays verfügen über eine IO-Kapazität von 1,5 pF pro Kanal und eignen sich daher ideal für den Einsatz in Hochgeschwindigkeitsdaten-IO-Schnittstellen. Der extrem niedrige Ableitstrom (< 1 nA Maximum) eignet sich für präzise analoge Messungen in Applikationen wie Glukosemessgeräten und Herzfrequenzmessgeräten.

Die TPD4E001 ESD-Schutzarrays sind in den Gehäusen DRL (SOT), DBV (SOT23), DCK (SC-70), DRS (QFN) und DPK (PUSON) erhältlich und für einen Betrieb von -40 °C bis +85 °C spezifiziert.

Merkmale

  • IEC 61000-4-2 ESD-Schutz (Stufe 4)
    • ±8 kV Kontaktentladung
    • ±15 kV Luftspaltentladung
  • 5,5 A Spitzenimpulsstrom (8/20 µs Impuls)
  • IO-Kapazität: 1,5 pF (typisch)
  • Niedriger Ableitstrom: 1 nA (max.)
  • Niedriger Versorgungsstrom: 1 nA
  • 0,9 V bis 5,5 V Versorgungsspannungsbereich
  • Platzsparende Gehäuseoptionen: DRL, DBV, DCK, DPK und DRS
  • Alternative 2-, 3-, 6-Kanal-Optionen verfügbar: TPD2E001, TPD3E001, TPD6E001

Applikationen

  • USB 2.0
  • Ethernet
  • FireWire™ Serieller Bus
  • LVDS
  • SVGA-Videoanschlüsse
  • Blutzuckermessgeräte

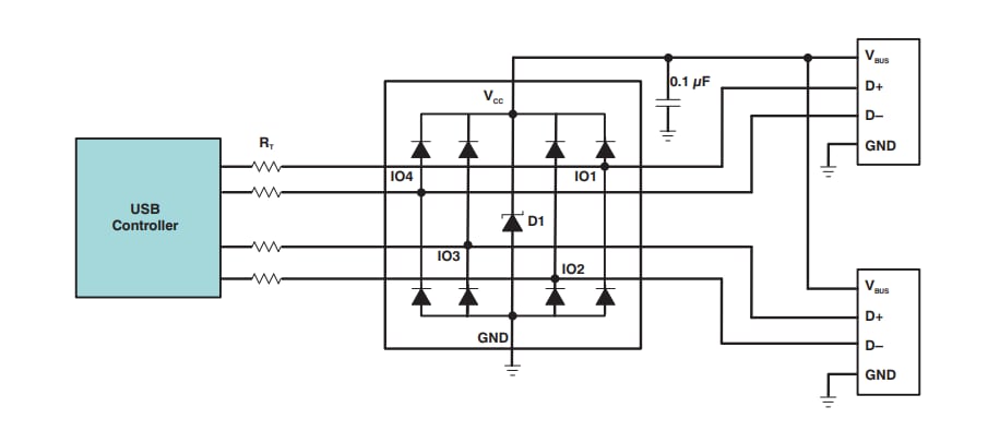
Applikations-Schaltplan

Schaltplan - Texas Instruments TPD4E001 ESD-Schutzarrays
Veröffentlichungsdatum: 2019-10-15 | Aktualisiert: 2024-08-10