Texas Instruments TPDxE05U06/TPDxE05U06-Q1 TVSs
Texas Instruments TPDxE05U06/TPDxE05U06-Q1 Überspannungsschutzvorrichtungen (TVS) sind unidirektionale elektrostatische Entladungsschutzdioden (ESD) mit extrem niedriger Kapazität. Die Bauteile sind für die Ableitung von ESD-Stößen über dem in der internationalen Norm IEC 61000-4-2 Stufe 4 angegebenen Höchstwert ausgelegt.Die TPDxE05U06/TPDxE05U06-Q1 Entstörer von TI verfügen über eine extrem niedrige Ladekapazität, die sich ideal für den Schutz von Hochgeschwindigkeits-Signalapplikationen bis zu 6 Gbps eignet. Die Bauteile eignen sich für verschiedene Applikationen, einschließlich Hochgeschwindigkeits-Signalleitungen in HDMI 1.4b, HDMI 2.0, USB 3.0, MHL, LVDS, DisplayPort, PCI-Express®, eSata und V-by-One® HS.
Merkmale
- AEC-Q101-qualifiziert (TPDxE05U06-Q1)
- HBM-Bauteilklassifikation Stufe H3B
- CDM-Bauteilklassifikation Stufe C5
- Bauteil-Temperaturbereich: -40 °C bis +125 °C
- IEC 61000-4-2 Stufe 4 ESD-Schutz
- ±12 kV Kontaktentladung
- ±15 kV Luftspaltentladung
- IEC 61000-4-4 EFT-Schutz
- 80 A (5/50 ns)
- IEC 61000-4-5 Überspannungsschutz
- 2,5 A (8/20 µs)
- I/O-Kapazität von 0,42 pF bis 0,5 pF (typisch)
- DC-Durchschlagspannung: 6,4 V (min.)
- Extrem niedriger Ableitstrom: 10 nA (maximal)
- Niedrige ESD-Klemmspannung (14 V bei 5 A TLP)
- Einfache Durchlauf-Routing-Gehäuse
Applikationen
- Endgeräte
- Haupteinheit
- Rücksitz-Entertainmentsystem
- Telematik
- USB-Hub
- Navigationsmodul
- Medienschnittstelle
- Schnittstellen
- USB 2.0
- USB 3.0
- HDMI 1.4/2.0
- LVDS
- DisplayPort
- SIM-Karte
Weitere Ressourcen
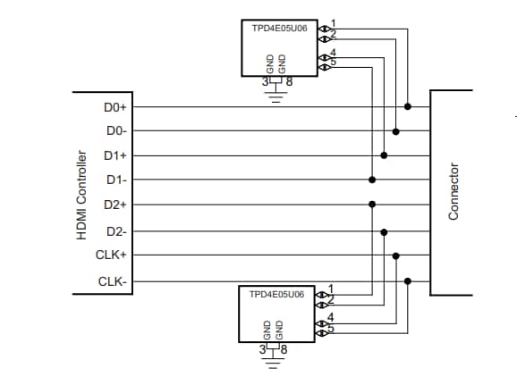
Funktionales Blockdiagramm
Vereinfachtes Schaltbild
Veröffentlichungsdatum: 2022-04-10
| Aktualisiert: 2024-08-10
