Texas Instruments TPLD1201-Q1 Programmierbare Logikschaltung für Fahrzeuge
Die TPLD1201-Q1 Programmierbare Logikschaltung für Fahrzeuge von Texas Instruments ist Teil der Produktfamilie programmierbarerLogikschaltungen (TPLD) von TI. Diese PLD verfügt über vielseitige programmierbare Logik-ICs mit kombinatorischen, sequenziellen und analogen Blöcken. Das TPLD1201-Q1 Bauteil arbeitet in einem Versorgungsspannungsbereich von 1,71 V bis 5,5 V und einem erweiterten Temperaturbereich von -40 °C bis 125 °C. Dieses Bauteil ist eine vollständig integrierte, stromsparende Lösung zur Implementierung gängiger Systemfunktionen einschließlich Zeitverzögerungen, Spannungswächtern, System-Resets, Leistungssequenzern und I/O-Erweiterungen. Zu den Development Tools gehören InterConnect Studio, ein Evaluierungsmodul und ein TPLD-Programmierboard. Die TPLD1201-Q1 Bauteile sind AEC-Q100-qualifiziert für Fahrzeuganwendungen. Typische Applikationen sind Fabrikautomatisierung und -steuerung, Kommunikationsgeräte, Automatisierung und Zahlungssysteme im Einzelhandel, Prüf- und Messverfahren, professionelle Audio-, Video- und Digital-Signage-Anwendungen, Unterhaltungselektronik und Fahrzeuge.Merkmale
- Betriebseigenschaften:
- -40 °C bis 125 °C erweiterter Temperaturbereich
- Breiter Versorgungsspannungsbereich von 1,71 V bis 5,5 V
- Qualifiziert für Fahrzeuganwendungen
- Konfigurierbare Makrozellen:
- 2-, 3- und 4-Bit-Nachschlagetabellen
- Flip-Flops des D-Typs und Verriegelungen mit und ohne Reset-/Set-Option
- 8-Bit-Leitungsverzögerung
- Zähler und Verzögerungsgenerator
- Programmierbarer Entstörfilter oder Flankendetektor
- Diskrete Analogkomparatoren
- Spannungsreferenz
- Oszillator
- Flexible digitale I/O:
- Alle digitalen Signale können zu allen GPIOs geroutet werden
- Digitale Eingangsmodi: Digitaleingang mit und ohne Schmitt-Trigger sowie Niederspannungs-Digitaleingang
- Digitale Ausgangsmodi: Push-Pull, Open-Drain-NMOS und Tri-State
- Development Tools
- InterConnect Studio
- Evaluierungsmodul
- TPLD-Programmierboard
Applikationen
- Fabrikautomatisierung und -steuerung
- Kommunikationsgeräten
- Automatisierung und Zahlung im Einzelhandel
- Test und Messung
- Pro Audio, Video und Beschilderung
- Persönliche Elektronik
- Automotive
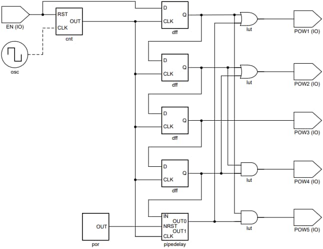
Funktionales Blockdiagramm
Typisches Applikationsdiagramm
Typische Eigenschaften (TA = 25 °C)
Veröffentlichungsdatum: 2026-01-13
| Aktualisiert: 2026-01-29
