Texas Instruments TPS16530 4,5-A-eFuse mit 58 V

Die Texas Instruments TPS16530 4,5-A-eFuse mit 58 V ist eine benutzerfreundliche, positive eFuse mit einem integrierten FET von 31 mΩ. Der Schutz für die Last, die Quelle und die eFuse selbst wird zusammen mit einstellbaren Funktionen, wie z. B. einem genauen Überstromschutz, einer schnellen Kurzschluss-Sicherung, einer Steuerung der Ausgangsanstiegsrate und einer Unterspannungssperre, bereitgestellt. Der PGOOD kann zur Aktivierung und Deaktivierung der Steuerung von nachgeschalteten DC/DC-Wandlern verwendet werden.

Der Freigabe-Pin bietet eine externe Steuerung für das Aktivieren und Deaktivieren des internen FET. Der Abschalt-Pin kann verwendet werden, um das Bauteil in einen stromsparenden Abschaltmodus zu versetzen. Für die Systemstatusüberwachung und die nachgeschaltete Laststeuerung bietet das Bauteil einen Fehler- und präzisen Stromüberwachungsausgang. Der Modus-Pin ermöglicht die Flexibilität zur Konfiguration des Bauteils zwischen zwei Strombegrenzungsfehlerreaktionen (Latch-Off und Auto-Retry).

Die TPS16530 von Texas Instruments ist in einem 20-Pin-HTSSOP-Gehäuse und einem 24-Pin-VQFN-Gehäuse erhältlich und vollständig für einen Temperaturbereich von -40 °C bis +125 °C spezifiziert.

Merkmale

  • Betriebsspannung von 4,5 V bis 58 V, absolutes Maximum von 67 V
  • Integrierter RON-Hot-Swap-FET von 58 V, 31 mΩ
  • Einstellbare Strombegrenzung von 0,6 A bis 4,5 A (±7 %)
  • IPC9592B Luftstrecke für einen Betrieb von 56 V (20-Pin-HTSSOP)
  • 2 x Impulsstrom-Unterstützung für Lasttransienten
  • Niedriger Ruhestrom, 21 µA bei Abschaltung
  • Einstellbare UVLO-Abschaltung mit einer Genauigkeit von ±2 %
  • Einstellbare Steuerung der Ausgangsanstiegsrate für die Einschaltstrombegrenzung
  • Lädt große und unbekannte kapazitive Lasten über eine thermische Regelung während der Inbetriebnahme auf
  • Power-Good-Ausgang (PGOOD)
  • Wählbare Überstrom-Fehlerreaktionsoptionen zwischen Auto-Retry und Latch-Off (MODE)
  • Analoger Stromüberwachungsausgang (IMON) (±6 %)
  • Erhältlich in benutzerfreundlichen 20-Pin-HTSSOP- und 24-Pin-VQFN-Gehäusen

Applikationen

  • Leistungsverstärkerschutz in Telekommunikations-Funkgeräten
  • Medizinische Geräte
  • Steuerpanel für Feueralarm
  • Industriedrucker

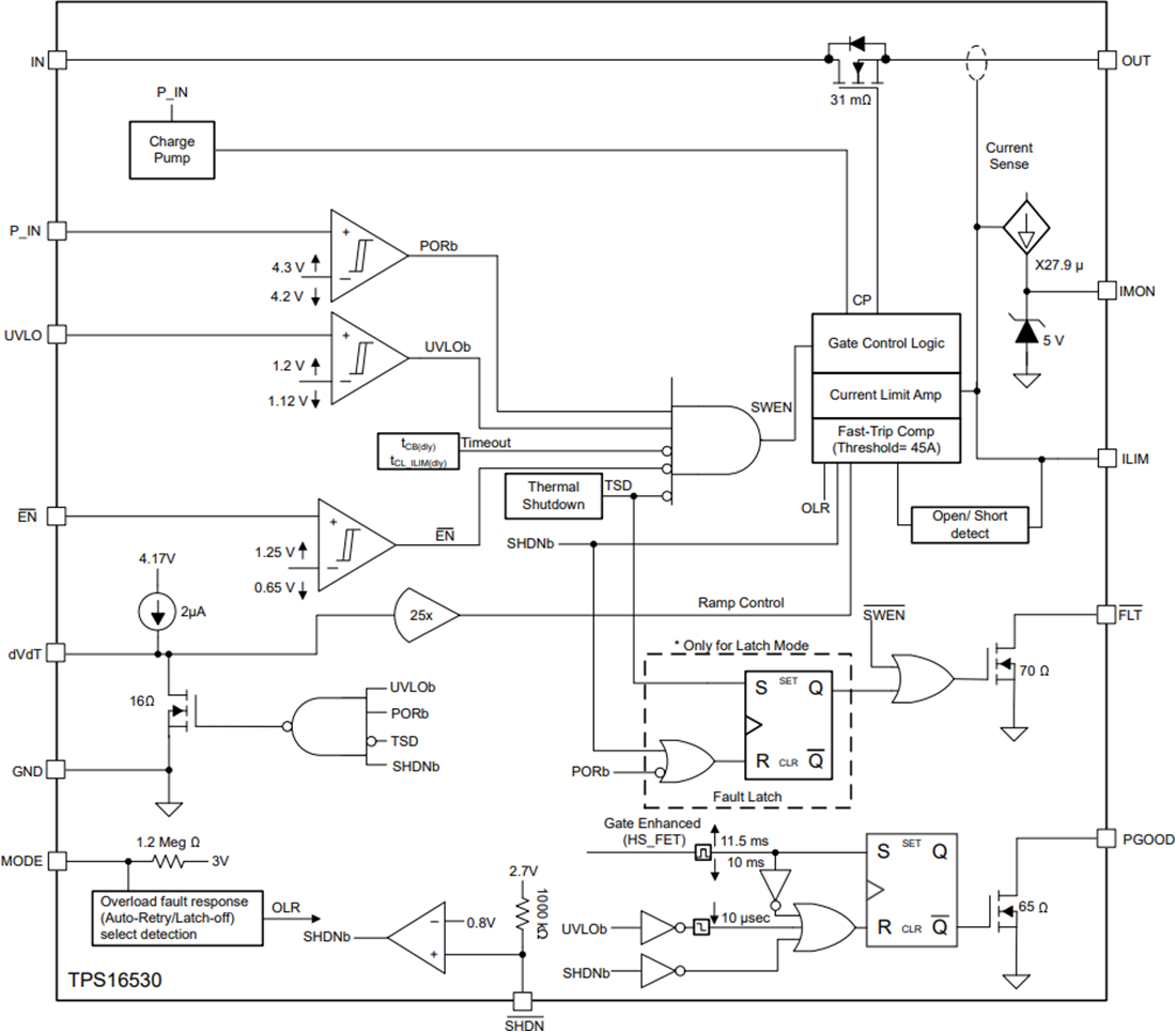
Funktionales Blockdiagramm

Blockdiagramm - Texas Instruments TPS16530 4,5-A-eFuse mit 58 V
Veröffentlichungsdatum: 2021-09-01 | Aktualisiert: 2022-03-11