Texas Instruments TPS23523 Hot-Swap- und ORing-Controller
Texas Instruments TPS23523 leistungsstarke Hot-Swap- und ORing-Controller erfüllen über aktivierte leistungsstarke Telekommunikationssysteme die anspruchsvollen transienten Anforderungen. Der TPS23523 bietet eine absolute maximale Leistung von 200 V, die Blitzschlagprüfungen widerstehen kann und die Stromzufuhr von 400 µA ermöglicht eine schnelle Wiederherstellung. Durch die Begrenzung des Einschaltstroms ist über die Unterbrechung des Soft-Start-Kondensators der Einsatz von kleineren Hot-Swaps-FETs ohne Auswirkungen auf die Einschwingzeit möglich. Damit wird durch die Verwendung von Energie-Applikationen, die mehrere Hot-Swap-FETs erfordern, Platz und Stücklistenkosten gespart. Die duale Strombegrenzung der Bauteile ermöglicht die Vermeidung von Brown-Outs und Eingangsschritten ohne Auswirkungen, wie dies vom ATIS 0600315.2013 gefordert wird. Darüber hinaus wird von Controllern ein genauer Unter- und Überspannungsschutz mit programmierbaren Schwellwerten und Hysterese geboten. Für –48V-Systeme, bei denen ein umgekehrter Anschluss- und Rückstromschutz erforderlich ist, ist der integrierte TPS23523 ORing-Controller eine ideale Lösung. Wenn der Eingang sich senkt, schützt der O-Ring- Controller den Ausgang, was Neustarts des Systems verhindert.Additionally, the controllers offer accurate undervoltage and overvoltage protection with programmable thresholds and hysteresis. 48V Systems that require reverse hook-up protection and reverse-current protection find an ideal solution with the Texas Instruments TPS23523 integrated OR-ing controller. When the input drops, the OR-ing controller protects the output, avoiding system resets.
Merkmale
- DC-Betrieb von –10 V bis –80 V, –200 V absolutes Maximum
- Soft-Start-Kondensator-Unterbrechung
- Zwei Hot-Swap-Gate-Treiber
- 400 µA Gate-Stromzufuhr
- Duale Strombegrenzung (basierend auf VDS)
- 25 mV ±4 % bei niedriger VDS
- 3 mV ±25 % bei hoher VDS
- Programmierbare UV (±1,5 %) und OV (±2 %)
- Programmierbare Hysterese (±11 %)
- Integrierter ORing-Controller
- Regelung: 25 mV ±15 mV
- Schnelles Ausschalten: –6 mV ±4 mV
- Erneuter Versuch nach Time-Out
- 16-Pin-TSSOP
Applikationen
- Fernfunkeinheiten
- Basisband-Einheiten
- Router und Schalter
- Kleine Zellen
- -48 V Telekommunikationsinfrastruktur
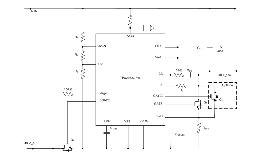
TPS23523 Blockdiagramm
Veröffentlichungsdatum: 2018-04-11
| Aktualisiert: 2022-11-22
