Texas Instruments TPS25200 5V eFuse
Die eFuse TPS25200 von Texas Instruments ist eine 5V-Sicherung mit Präzisions-Strombegrenzung und Überspannungsklemme. Die Komponente bietet robusten Schutz für Last und Quelle bei Überspannungs- und Überstrom-Ereignissen. Beim TPS25200 handelt es sich um einen intelligenten geschützten Lastschalter mit VIN mit einer Toleranz bis 20 V. Wenn eine falsche Spannung an IN angelegt wird, wird der Ausgang auf 5,4V abgeklemmt, um die Last zu schützen. Wenn die Spannung an IN 7,6V überschreitet, trennt das Gerät die Last zur Vermeidung von Schäden am Gerät und/oder der Last. Der TPS25200 verfügt über einen internen 60 mΩ-Leistungsschalter und ist für den Schutz von Quelle, Last und Gerät unter einer Vielzahl von abnormalen Bedingungen ausgelegt. Das Gerät bietet bis zu 2,5 A Dauerlaststrom. Strombegrenzung ist von 85 mA bis 2,9 A mit einem einzelnen Widerstand an Masse programmierbar. Bei Überlast wird der Ausgangsstrom auf die durch RILIM eingestellte Stufe begrenzt. Wenn eine anhaltende Überlast auftritt, wird die thermische Abschaltung zur Vermeidung von Schäden am TPS25200 aktiviert.The current limit is programmable from 85mA to 2.9A for TPS25200 and to 2.7A for TPS25200-Q1 with a single resistor to ground. During overload events, the output current is limited to the level set by RILIM. If a persistent overload occurs, the device will eventually go into thermal shutoff to prevent damage to the TPS25200/TPS25200-Q1. The Texas Instruments TPS25200-Q1 devices are AEC-Q100 qualified for automotive applications.
Merkmale
- 2.5V to 6.5V operation
- Input withstands up to 20V
- 7.6V input overvoltage shutoff
- 5.25V to 5.55V fixed overvoltge clamp
- 0.6µs overvoltage lockout response
- 3.5µs short circuit response
- Integrated 60mΩ high-side MOSFET
- Up to 2.5A continuous load current
- ±6% current-limit accuracy at 2.9A
- Reverse current blocking While disabled
- Built-in soft start
- Pin-to-Pin compatible with TPS2553
Applikationen
- USB power switches
- USB slave devices
- Smartphones
- 3G, 4G wireless data cards
- Solid State Drives (SSD)
- 3V or 5V adapter powered devices
Datasheets
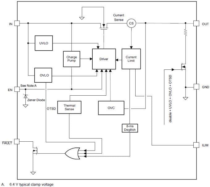
Functional Block Diagram
Development Tool
Veröffentlichungsdatum: 2014-09-09
| Aktualisiert: 2022-03-11
