Texas Instruments TPS25940/TPS25940-Q1 eFuse-Leistungsschalter
Texas Instruments TPS25940/TPS25940-Q1 eFuse Power Switch is a compact, feature-rich power management device with a full suite of protection functions. Diese Funktionen beinhalten einen DevSleep™-Modus mit geringem Stromverbrauch, der die Einhaltung des SATA™ Device Sleep-Standards unterstützt. Der breite Betriebsbereich ermöglicht die Steuerung von vielen gängigen Gleichstrom-Bussen. Integrierte Back-to-Back-FETs bieten bidirektionale Stromsteuerung. Durch diese FETs sind die Leistungsschalter hervorragend für Systeme mit Lastseiten-Erhaltungsenergie geeignet, die nicht zurück zu einem fehlgeschlagenen Versorgungsbus geleitet werden muss. Last-, Quellen- und Geräteschutz mit mehreren programmierbaren Funktionen wie Überstrom, dVo/dt Rampenrate, Überspannung und Unterspannung stehen zur Verfügung. Für die Systemstatusüberwachung und die nachgeschaltete Laststeuerung liefert das Gerät PGOOD, FLT und eine präzise Stromüberwachung. Präzise programmierbare Unterspannungs- und Überpannungsschwellen sowie der niedrige IQ DevSleep-Modus vereinfachen das SSD-Energiemanagement-Design.Die Bauteile TPS25940-Q1 sind laut AEC-Q100 für Fahrzeuganwendungen zugelassen.Merkmale
- 2,7 V bis 18 V Betriebsspannung, 20 V (max.)
- 42 mΩ RON (typ.)
- 0,6 A bis 5,3 A anpassbare Strombegrenzung (±8%)
- IMON Stromanzeigenausgang (±8,5%)
- 200 µA Betriebs-IQ (typ.)
- 95 μA Devsleep-Modus IQ (typ.)
- 15 µA Deaktiviert Iq (typ.)
- ±3% Überspannung, Unterspannungsschwellenwert
- Ableitung des Umkehrstroms
- 1 µs Abschaltung des Umkehrstroms
- Programmierbare dVo/dt-Steuerung
- Power-Good und Fault-Ausgänge
- -40°C bis +125°C Sperrschichttemperaturbereich
- UL 2367-anerkannt
- Akten-Nr. 169910
- RILIM ≥ 20 kΩ (4,81 A max.)
- Sicher bei Single Point Failure Test (UL60950)
- Offen-/Kurz-ILIM-Erfassung
Applikationen
- PCIe/SATA/SAS HDD und SSD-Laufwerke
- Unternehmen und Mikroserver
- Intelligenter Lastschalter
- Set-Top-Box (STB), DTVs und Spielkonsolen
- RAID-Karten – Verzögerungsstrommanagement
- Telekom-Schalter und -Router
- Adapter-Stromgeräte
Datenblätter
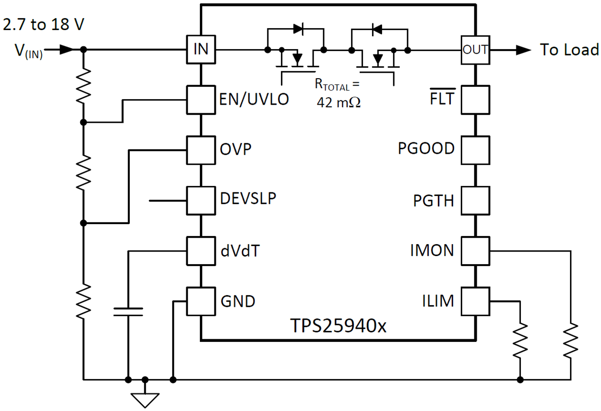
Vereinfachter Schaltplan
Veröffentlichungsdatum: 2017-03-02
| Aktualisiert: 2022-04-06
