Texas Instruments TPS25984 Stapelbare eFuses
Texas Instruments TPS25984 Stapelbare eFuses sind integrierte Hochstrom-Schaltkreisschutz- und Energiemanagementlösungen in einem kleinen Gehäuse. Diese Geräte bieten verschiedene Schutzmodi mit minimalen externen Komponenten und dienen als zuverlässiger Schutz vor Überlastungen, Kurzschlüssen und übermäßigem Einschaltstrom. Die TPS25984 eFuses arbeiten in einem Eingangsbetriebsspannungsbereich 4,5 V bis 16 V und unterstützen die Parallelschaltung mehrerer eFuses für höhere Stromunterstützung. Diese stapelbaren eFuses bieten eine einstellbare Ausgangsanstiegsratensteuerung (dVdt) für den Einschaltstromschutz und einen aktiven Hochaktivierungseingang mit einstellbarer Unterspannungssperre (UVLO). Die TPS25984 eFuses eignen sich für Input-Hot-Swap und Hotplugs, Server- und Hochleistungsrechner, Netzwerkschnittstellenkarten, Grafik-/Hardware-Beschleunigerkarten und Rechenzentrums-Switches/-Router.Merkmale
- 4,5 V bis 16 V Eingangsbetriebsspannungsbereich:
- Absolutes Maximum: 20 V
- Hält negativen Spannungen bis zu -1 V am Ausgang stand
- Der integrierte FET hat einen typischen Einschaltwiderstand von nur 0,8 mΩ
- Ausgelegt für RMS-Strom von 55 A und Spitzenstrom von 70 A
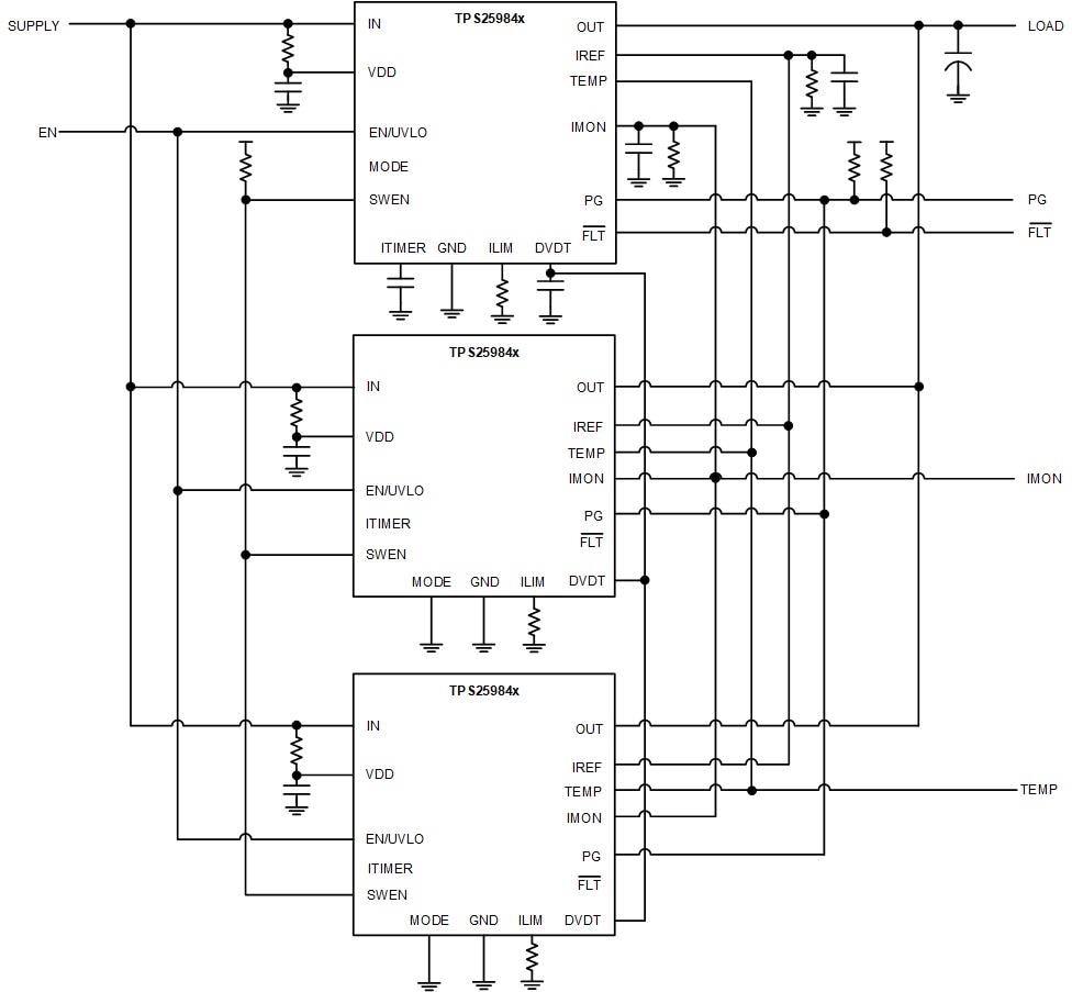
- Unterstützt die Parallelschaltung mehrerer eFuses für eine höhere Stromunterstützung
- Aktive Synchronisierung des Bauelementzustands und Lastverteilung beim Start und im Dauerbetrieb
- Robuster Überstromschutz:
- Einstellbare Überstromschwelle (IOCP) von 10 A bis 55 A mit einer Genauigkeit von ±5 %
- Leistungsschalter-Reaktion im stationären Betriebszustand mit einstellbarem Überstrom-Timer (ITIMER) für Spitzenströme bis zu 2 x IOCP
- Einstellbare aktive Strombegrenzung beim Start (ILIM)
- Präzise analoge Laststromüberwachung:
- ±1,4 % Genauigkeit
- >500 kHz Bandbreite
- Robuste Kurzschluss-Sicherung
- Schnelle Auslösereaktion (<200 ns) auf Ausgangskurzschlussereignisse
- Einstellbarer Schwellenwert (2 x IOCP)
- Unempfindlich gegenüber Transienten in der Versorgungsspannung (kein unerwünschtes Auslösen)
- Schneller Überspannungsschutz (fester Schwellenwert von) 16,7 V
- Einstellbare Ausgangsanstiegsratensteuerung (dVdt) zum Einschaltstromschutz
- Aktiver High-Enable-Eingang mit einstellbarer Unterspannungssperre (UVLO)
- Der Übertemperaturschutz (OTP) gewährleistet die Einhaltung der sicheren Betriebszone (SOA) des FET:
- 10 W√s garantierter FET-SOA
- Integrierte FET-Zustandsüberwachung und -Berichterstattung
- Analoger Chip-Temperaturüberwachungsausgang (TEMP)
- Spezieller Fehleranzeige-Pin (FLT)
- Anzeigepin für die Stromversorgungsbereitschaft (PG)
- 5 mm × 5 mm QFN-Gehäuse mit geringem Platzbedarf
- 100 % bleifrei
Applikationen
- Hot-Plug und Hot-Swap am Eingang
- Server und Hochleistungsrechnen
- Netzwerkschnittstellenkarten
- Grafik- und Hardware-Beschleunigerkarten
- Schalter und Router für Rechenzentren
- Lüftereinsätze
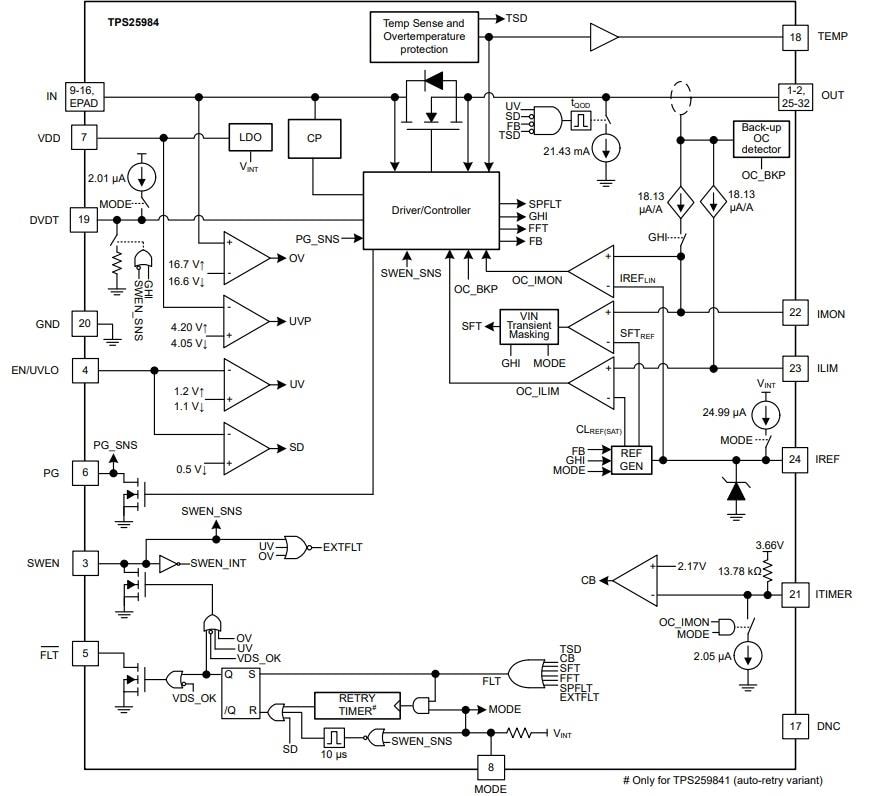
Funktionales Blockdiagramm
Vereinfachtes Schaltschema
Veröffentlichungsdatum: 2024-01-22
| Aktualisiert: 2024-02-19
