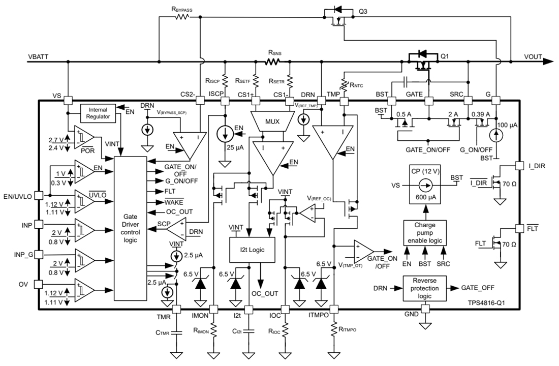
Texas Instruments TPS4816-Q1 Intelligente High-Side-Schalter-Controller
Low-IQ-Smart-High-Side-Schalter-Controller TPS4816-Q1 von Texas Instruments verfügen über Schutz und Diagnosefunktionen. Mit einem breiten Betriebsspannungsbereich von 3,5 V bis 95 V (absolute Höchstspannung 100 V) eignet sich das Gerät für Fahrzeugsystem-Designs mit 12 V, 24 V und 48 V.Das Gerät verfügt über einen leistungsstarken GATE-Treiber mit einer Spitzenquelle von 0,5 A und einer Spitzensenke von 2 A, der die Leistungsumschaltung mithilfe paralleler FETs in Hochstrom-Systemdesigns ermöglicht. Verwendet INP als Gate-Treiber-Steuereingang. Die MOSFET-Anstiegsrate (EIN und AUS) kann durch Anbringen externer R-C-Bauelementen gesteuert werden. Es integriert auch einen Vorladetreiber (G) mit Steuereingang (INP_G). Diese Funktion ermöglicht Designs, die große kapazitive Lasten steuern müssen. Der Controller zieht im Abschaltmodus bei einer Versorgungsspannung von 48 V einen Gesamtabschaltstrom von 1 µA.
Das Gerät bietet eine präzise bidirektionale Strommessung (±2 %) (IMON, I_DIR) mit einstellbarem I2t-basierten Überstrom- und Kurzschlussschutz (±5 %) unter Verwendung eines externen RSNS -Widerstands und einer /FLT-Anzeige. Das Verhalten bei automatischen Wiederholungsversuchen und Latch-Off-Fehlern kann konfiguriert werden. Das Gerät bietet außerdem eine NTC-basierte Temperaturmessung (TMP) und einen Überwachungsausgang (ITMPO) zur Erkennung von Übertemperaturen externer FETs. Das Bauteil TPS4816-Q1 von Texas Instruments ist in einem 23-poligen VQFN-Gehäuse erhältlich.
Merkmale
- Nach AEC-Q100 für den Einsatz in Fahrzeugen für Temperaturklasse 1 zugelassen
- Eingabebereich von 3,5 V bis 95 V (absoluter Maximalwert 100 V)
- Verpolungsschutz für Ein- und Ausgang bis zu –60 V
- Integrierte 12-Volt-Ladungspumpe
- Niedriger Abschaltstrom von 1 µA (EN/UVLO = Low)
- Dualer Gate-Treiber mit GATE = 0,5 A Quelle/2 A Ableitvorrichtung, G = 100 µA Quelle/0,39 A Ableitvorrichtung
- Integrierter Vorladeschaltertreiber (INP_G) zum Ansteuern kapazitiver Lasten
- Präziser I2t-Überstromschutz (IOC) mit einstellbarem Leistungsschalter-Timer (I2t)
- Präziser (±5 %) und schneller (5 µs) Kurzschlussschutz
- Genaue analoge bidirektionale Stromüberwachungsausgänge (IMON, I_DIR) mit einer Genauigkeit von ±2 % bei 30 mV VSNS
- NTC-basierte Übertemperaturerfassung (TMP) und Überwachungsausgang (ITMPO)
- Fehleranzeige (/FLT) bei Kurzschlussfehler, I2t, Ladungspumpe UVLO, OV, Übertemperatur
- TPS48160-Q1 (I2t aktiviert), TPS48161-Q1 (I2t deaktiviert)
- Präzise (±2 %) und einstellbare Unterspannungssperre (UVLO) und Überspannungsschutz (OV)
Applikationen
- Stromverteilerkasten
- Karosseriesteuerungsmodul
- DC/DC-Wandler
- Batteriemanagementsystem
Funktionales Blockdiagramm
