Texas Instruments TPS536C5 Zweikanaliger Mehrphasenregler

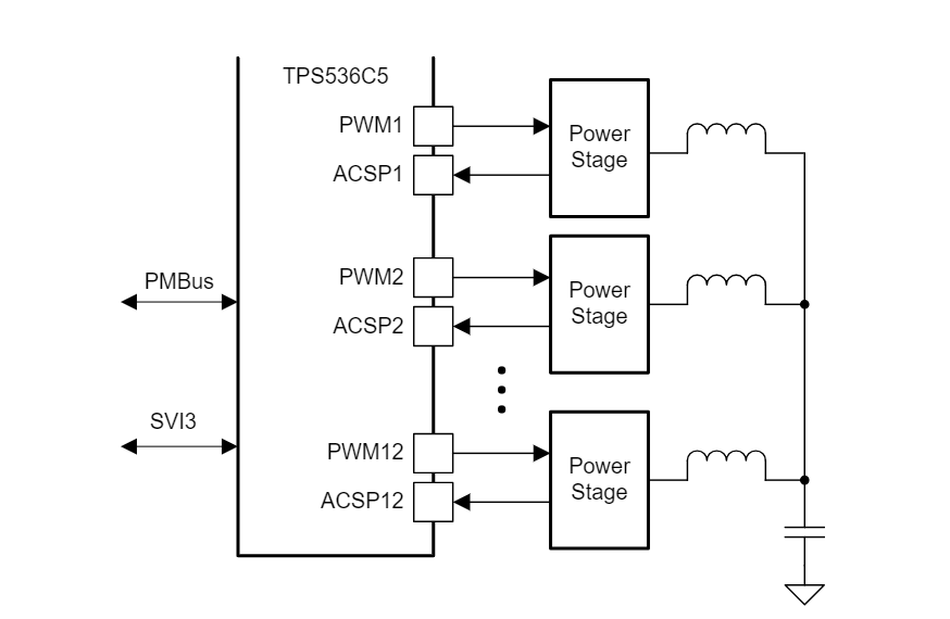
Der zweikanalige Mehrphasenregler TPS536C5 von Texas Instruments ist vollständig AMD SVI3-konform und verfügt über zwei Kanäle, einen integrierten nichtflüchtigen Speicher (NVM) und eine PMBus™-Schnittstelle. Der TPS536C5 ist vollständig kompatibel mit der intelligenten Leistungsstufe TI NexFET™ . Fortschrittliche Steuerungsfunktionen, einschließlich der D-CAP+™-Architektur mit Unterschwingungsreduzierung (USR), sorgen für ein schnelles Einschwingverhalten, eine geringe Ausgangskapazität und eine gute Stromaufteilung. Das Bauteil bietet einen dynamischen Phasenabwurf und eine neuartige Phasenverschachtelungsstrategie zur Verbesserung der Effizienz bei unterschiedlichen Lasten. Zu den Merkmalen von AMD SVI3 gehören auch eine einstellbare VCORE -Anstiegsrate und Spannungspositionierung. Darüber hinaus unterstützt der TPS536C5 von TI die PMBus-Kommunikationsschnittstelle für die Meldung der Fernmessung von Spannung, Strom, Leistung, Temperatur und Fehlerbedingungen an die Systeme. Um die Anzahl der externen Komponenten zu minimieren, können alle programmierbaren Parameter über die PMBus-Schnittstelle konfiguriert und im NVM als neue Standardwerte gespeichert werden.

Der TPS536C5 ist in einem thermisch optimierten 48-poligen QFN-Gehäuse untergebracht und arbeitet in einem Bereich von -40 °C bis 125 °C.

Merkmale

  • Eingangsspannungsbereich von 4,5 V bis 17 V
  • Ausgangsspannungsbereich von 0,25 V bis 5,5 V
  • Dualer Ausgang unterstützt N+M ≤12 Phasen, M ≤6 Phasen
  • Unterstützung der nativen Transinduktivitäts-Spannungsregler-Topologie (TLVR)
  • AMD SVI3-konform
  • Verbesserte D-CAP+ ™-Steuerung für eine hervorragende transientenleistung mit ausgezeichneter dynamischer Stromaufteilung
  • Programmierbare Schleifenkompensationen
  • Flexible phase Zündungs-Sequenzierung
  • Dynamische Phasenabschaltung mit programmierbarer Stromschwelle zur Optimierung der Effizienz bei geringer und hoher Last
  • Individuelle Phasenstromkalibrierungen und Berichte
  • Schnelle Phasenanpassung zur Verringerung des transienten Unterschwingens
  • Treiberlose Konfiguration für effiziente Hochfrequenz-Schaltung
  • Vollständig kompatibel mit NexFET ™-Leistungsstufen von TI für Lösungen mit hoher Dichte
  • Genaue, einstellbare Spannungspositionierung
  • Patentierter AutoBalance™-Phasenstromausgleich
  • Wählbare Strombegrenzung pro Phase
  • PmBus™-Systemschnittstelle für die Fernmessung von Spannung, Strom, Leistung, Temperatur und Fehlerbedingungen
  • 48-poliges QFN-Gehäuse mit Rastermaß 0,4 mm, 6,00 mm × 6,00 mm

Applikationen

  • Rack-Server
  • Mikroserver und Turm-Server
  • Hohe Rechenleistung
  • Basisbandeinheit (BBU)

Blockdiagramm

Blockdiagramm - Texas Instruments TPS536C5 Zweikanaliger Mehrphasenregler
Veröffentlichungsdatum: 2024-05-08 | Aktualisiert: 2024-05-22