Texas Instruments TPS54424 SWIFT™ 4A-Synchron-Abwärtswandler
Texas Instruments TPS54424 SWIFT™ Synchron-Abwärtswandler mit 17 V, 4 A sind in einem kleinen HotRod™-QFN-Gehäuse von 3,5 mm x 3,5 mm erhältlich und für kleine Lösungsgrößen optimiert. Dies wird durch den hohen Wirkungsgrad und die Integration der High- und Low-Side-MOSFETs erreicht. Der Footprint der Induktivität wird durch die Spitzenstromregelung erreicht, welche die Anzahl der Komponenten reduziert, und durch die Wahl einer hohen Schaltfrequenz. Die Schleifenkompensation wird durch die Spitzenstromregelung vereinfacht und bietet ein schnelles Einschwingverhalten.Das Bauteil ist durch eine zyklusweise Spitzenstrombegrenzung auf der High- und Low-Side-Quellstrombegrenzung vor Überlast geschützt. Funktionen umfassen eine Hiccup-Strombegrenzung und Power-Good-Ausgangs-Überwachung für Unter- und Überspannung. Der Ein-/Aus-Schaltregler wird durch einen dedizierten EN-Pin gesteuert und passt die Unterspannungssperre an.
Merkmale
- Kleines HotRod™-QFN-Gehäuse von 3,5 mm x 3,5 mm
- Integrierte MOSFETs mit 14,1 mΩ und 6,1 mΩ
- Spitzenstromregelung mit schnellem Einschwingverhalten
- Feste Schaltfrequenz von 200 kHz bis 1,6 MHz
- Mit externem Taktgeber synchronisierbar
- 0,6V-Spannungsreferenz mit ±0,85 % Genauigkeit über Temperatur
- Ausgangsspannungsbereich von 0,6 V bis 12 V
- Hiccup-Strombegrenzung
- Sichere Inbetriebnahme in vorgespannte Ausgangsspannung
- Einstellbarer Soft-Start und Leistungs-Sequenzierung
- Einstellbare Unterspannungssperre am Eingang
- Abschaltstrom von 3 µA
- Power-Good-Ausgangsüberwachung für Unter- und Überspannung
- Ausgangsüberspannungsschutz
- Nicht-blockierender Übertemperaturschutz
- Sperrschicht-Betriebstemperatur: -40 °C bis 150 °C
- Erstellung eines maßgeschneiderten Designs mit dem TPS54424 mit dem WEBENCH® Power Designer
Applikationen
- Telekommunikations- und Funkinfrastruktur
- Prüf- und Messsysteme
- Medizinische Bildgebungsgeräte
- Unternehmens-Schaltung
- Server
Videos
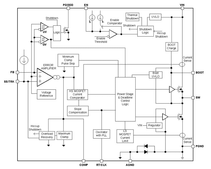
Funktionales Blockdiagramm
Veröffentlichungsdatum: 2017-10-23
| Aktualisiert: 2022-07-06
