Texas Instruments TPS544x20 Synchroner Abwärtswandler
Die synchronen Abwärtswandler TPS544x20 von Texas Instruments sind 20A- und 30A-Hochleistungs-DC-DC-Wandler mit zwei integrierten n-Kanal-NexFET™-Leistungs-MOSFETs. Diese Geräte implementieren die TI-eigene D-CAP- und D-CAP2-Modussteuerung und bieten eine natürliche Feed-Forward-Eingangsspannung und eine schnelle Einschwingzeit mit einem Präzisionsfehlerverstärker und einem differentiellen Fernerkundungs-Verstärker mit niedrigem Offset für eine präzise Ausgangsspannungsregelung mit minimaler externer Kompensation. Die monotone Vorspannungsfähigkeit beseitigt Sorgen über schädliche empfindliche Lasten. Die integrierte PMBus-Fähigkeit bietet Strom, Spannung und On-Board-Temperaturüberwachung, viele benutzerprogrammierbare Konfigurationsoptionen sowie die AVS-Technologie (Adaptive Voltage Scaling) und Ausgangsspannungstoleranz-Tests.Merkmale
- PMBus-enabled converters: 20A, 30A
- 4.5V to 18V input, 0.6V to 5.5V Output
- 5mm × 7mm LQFN package with 0.5mm pitch
- Single thermal pad
- Integrated 4.5mΩ and 2.0mΩ stacked NexFET power stage
- 600mV, 0.5% reference
- Lossless, low-side MOSFET current sensing
- Selectable D-CAP and D-CAP2 mode control
- Differential remote sensing
- Monotonic start-up into pre-biased output
- Output voltage margin and trim
- Output voltage and output current reporting
- External temperature monitoring with 2N3904
- Thermal shutdown
- Pin compatible 20A, 30A converters
- Programmable via PMBus
- Overcurrent protection
- UVLO, soft-start
- PGOOD, OV, UV, OT levels
- Fault responses
- Turn-on and turn-off delays
Applikationen
- Test and instrumentation
- Ethernet switches, optical switches, routers, base stations
- Servers
- Enterprise storage SSD
- High-density power solutions
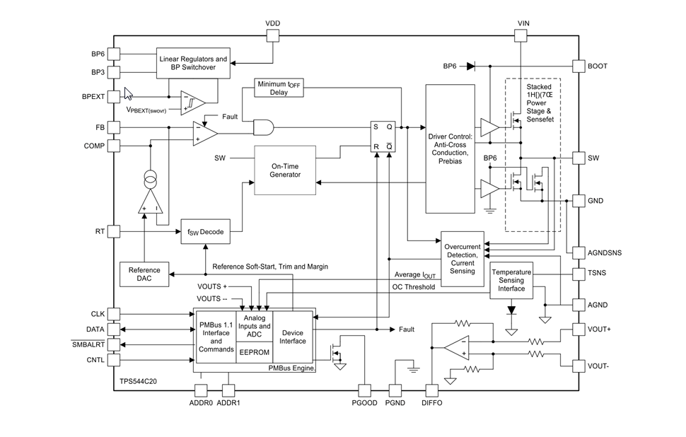
Block Diagram
Veröffentlichungsdatum: 2014-08-21
| Aktualisiert: 2022-03-11
