Texas Instruments TPS546D24S SWIFT™-PMBus®-Abwärtswandler
Der TPS546D24S SWIFT™ PMBus® Abwärtswandler von Texas Instruments ist hochintegriert und nicht isoliert und durch Hinzufügen von herstellerspezifischen PMBus-Befehlen und erweitertem Schreibschutz sowie einem Passkey für die Erweiterung des TPS546D24A ausgelegt. Diese Funktionen erhöhen die Sicherheit gegen böswilligen Zugriff auf den PMBus, indem die Schreibfähigkeit mit einer besseren Lösung als der Standardbefehl für den Schreibschutz eingeschränkt wird.Der TPS546D24S von TI bietet einen Hochfrequenzbetrieb und einen Stromausgang von 40 A in einem 7 mm × 5 mm großen Gehäuse. Bis zu vier TPS546D24S Bauteile können miteinander verbunden werden, um bis zu 160 A auf einem einzigen Ausgang zu liefern. Der Wandler kann den internen 5-V-LDO mit einer externen 5-V-Versorgung über den VDD5-Pin übersteuern, um den Wirkungsgrad zu verbessern und die Verlustleistung des Wandlers zu reduzieren.
Der TPS546D24S verwendet eine proprietäre Festfrequenz-Stromregelung mit Eingangsvorsteuerung und wählbaren internen Kompensationskomponenten für eine minimale Größe und Stabilität über eine große Auswahl von Ausgangskapazitäten.
Die PMBus-Schnittstelle mit einer Taktunterstützung von 1 MHz bietet eine praktische, standardisierte digitale Schnittstelle für die Wandlerkonfiguration sowie die Überwachung der Hauptparameter, einschließlich Ausgangsspannung, Ausgangsstrom und interne Chip-Temperatur. Abhängig von den Systemanforderungen kann die Reaktion auf Fehlerbedingungen auf Neustart, Latch-Off oder Ignorieren eingestellt werden. Die Rückkanal-Kommunikation zwischen gestapelten Bauteilen ermöglicht den TPS546D24S Wandlern, eine einzelne Ausgangsschiene zu betreiben, um eine einizge Adresse zur Vereinfachung der Systemsoftware oder des Firmware-Designs zu teilen. Wichtige Parameter, einschließlich Ausgangsspannung, Schaltfrequenz, Soft-Start-Zeit und Überstrom-Fehlerbegrenzungen können auch über die BOM-Auswahl ohne PMBus-Kommunikation zur Unterstützung des Programm-freien Einschaltens konfiguriert werden.
Merkmale
- Integrierte erweiterte Sicherheitsfunktion
- Split-Rail-Unterstützung: 2,95 V bis 16 V PVIN; 2,95 V bis 18 V AVIN (4-VIN VDD5 zum Schalten)
- Integrierte 4,5-mΩ-/0,9-mΩ-MOSFETs
- Durchschnittliche Strommodussteuerung mit wählbarer interner Kompensation
- 2 ×, 3 x, 4 × stapelbar mit Stromaufteilung bis zu 160 A und unterstützt eine Einzeladresse pro Ausgang
- Wählbarer Ausgang von 0,5 V bis 5,5 V über einen Pin-Strap oder 0,25 V bis 5,5 V unter Verwendung von PMBus VOUT_COMMAND
- Umfangreicher PMBus-Befehlssatz mit Telemetrie für VOUT, IOUT und interne Chip-Temperatur
- Differential-Fernerkundung mit internem FB-Teiler für < 1 % VOUT-Fehler, -40 °C bis +150 °CTJ
- AVS- und Begrenzungsfunktionen über PMBus
- MSEL-Pins-pinprogrammierende PMBus-Standareinstellungen
- 12 wählbare Schaltfrequenzen von 225 kHz bis 1,5 MHz (8-Pin-Strap-Optionen)
- Frequenz-Sync-In/-Sync-Out
- Unterstützt vorgespannten Ausgang
- 40-Pin-QFN von 7 mm x 5 mm x 1,5 mm
- Drop-in-kompatibel mit TPS546D24A
- Mit dem TPS546D24S® und dem WEBENCH® Power Designer ein benutzerdefiniertes Design erstellen
Applikationen
- Rechenzentrums-Schalter, Rack-Server
- Aktives Antennensystem, Fernfunk- und Basisbandgerät
- Automatische Testausstattung, CT, PET und MRI
- ASIC, SoC, FPGA, DSP-Core und I/O-Spannung
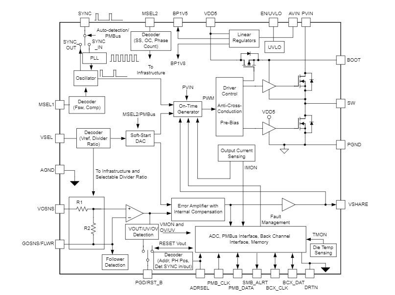
Blockdiagramm
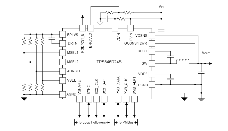
Vereinfachte Applikation
