Texas Instruments TPS549A20 Synchroner SWIFT™-Abwärtswandler
Der Texas Instruments TPS549A20 synchrone SWIFT™-Abwärtswandler ist ein synchroner Abwärtswandler in kleiner Bauform mit adaptivem D-CAP3-Steuermodus in Echtzeit. Das Bauteil ist benutzerfreundlich und verfügt über eine geringe Anzahl Komponenten für Netzsysteme mit geringem Platzbedarf. Teil der Komponente sind Hochleistungs-MOSFETs, eine genaue 0,6-V-Referenzspannung und ein Hochsetzer (Boost Switch). Wettbewerbsfähige Merkmale sind eine geringe Anzahl von notwendigen externen Komponenten, schnelles Ansprechen auf Laständerungen, Auto-Skip-Modusbetrieb, interne Softstart-Steuerung und kein Kompensationsbedarf. Außerdem sind mit dieser Komponente über PMBus Fehler- und Ausfallberichte möglich, um die Stromversorgung einfacher zu gestalten. Mit dem erzwungenen kontinuierlichen Strombetrieb lassen sich eng gefasste Genauigkeitsvorgaben für Spannungsregler von Leistungs-DSPs und -FPGAs einhalten.Merkmale
- Integrierte SWIFT™ 9,9mΩ- und 4,3mΩ-MOSFETs unterstützen einen kontinuierlichen IOUT von 15 A
- Großer Umwandlungs-Eingangsspannungsbereich: 1,5 V bis 20 V (mit Snubber)
- Ausgangsspannungsbereich von 0,6 V bis 5,5 V
- Verfügbare PMBus-Einstellungen
- Spannungsgrenze und Justierung
- Sanftanlaufzeit
- Einschaltverzögerung
- VDD UVLO-Pegel
- Störungsmeldung
- Schaltfrequenz
- Unterstützt alle Keramik-Ausgangskondensatoren
- Referenzspannung: 600 mV mit ±0,5 % Toleranz von einer Umgebungstemperatur von –40 °C bis 85 °C
- D-CAP3™-Steuermodus mit schnellem Lastschrittverhalten
- Hiccup-Überstromschutz
- Auto-Skipping-Eco-Mode für hohen Leichtlast-Wirkungsgrad
- FCCM für enge Anforderungen an Ausgangswelligkeit und Spannungstoleranzen
- Fähigkeit zum Hochfahren mit Vorladung
- Acht wählbare Frequenzeinstellungen von
- 200 kHz bis 1 MHz über PMBus
- 28-Pin-VQFN-Clip-Gehäuse von 4,5 mm x 3,5 mm
- Unterstützt im WEBENCH Design Center
Applikationen
- Server, Cloud-Computing, Speicher
- Telekom & Netzwerke, Point-of-Load (POL)
- IPCs, Fabrikautomatisierung, PLC, Testmessungen
- Leistungsfähige DSPs, FPGAs
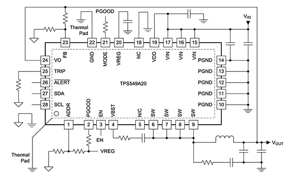
Simplified Application Circuit
Additional Resources
Veröffentlichungsdatum: 2016-01-12
| Aktualisiert: 2022-03-11
